0510-8321 7886
电话:0510-83217886 0510-83217186 0510-68771119 0510-68771110 传真:0510-83206086 地 址:无锡市滨湖区梅园
PW型平面二次包络环面蜗杆减速机简介(GB/T16449-1996)
PW型平面二次包络环面蜗杆减速器(GB/T16449—1996)其蜗齿面是以一个平面为母面,通过相对圆周运动,包络出环面蜗杆的齿面,再以蜗杆的齿面为母线,通过相对运动包络出蜗轮的齿面,称为平面二次包络环面蜗杆副。包括PWU、PWO、PWS型三种型式,适用于冶金、矿山、起重、运输、石油、化工、建筑等行业机械设备的减速传动。
工作条件:两轴交角为90°;蜗杆转速不超过1500r/min;工作环境温度为0~40℃,当环境温度低于0℃或高于40℃时,启动前润滑油要相应加热或冷却;蜗杆轴可正、反向运转。
PW型平面二次包络环面蜗杆减速机型号与标记(GB/T16449-1996)
1.型号
(1)PWU型—蜗杆在蜗轮之下平面二次包络环面蜗杆减速器;
(2)PWO型—蜗杆在蜗轮之上平面二次包络环面蜗杆减速器
(3)PWS型—蜗杆在蜗轮之侧平面二次包络环面蜗杆减速器。
2.标记

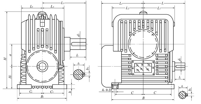
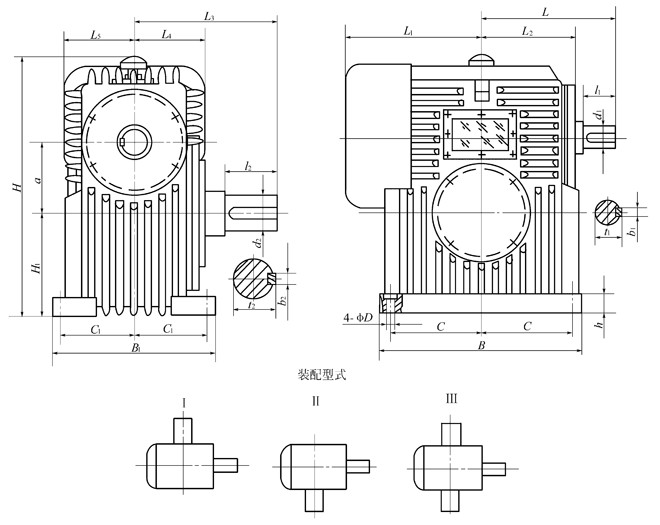
整体式PWU80、PWU100、PWU125、PWU140、PWU160、PWU180、PWU200、PWU225、PWU250、PWU280、PWU315、PWU355、型平面二次包络环面蜗杆减速机主要尺寸(GB/T16449-1996)


|
PWU型减速器主要尺寸(整体式) /mm
|
剖分式PWU400、PWU450、PWU500、PWU560、PWU630、PWU710、型平面二次包络环面蜗杆减速机主要尺寸(GB/T16449-1996)


PWU型减速器主要尺寸(剖分式) /mm
|
a
|
H1
|
B
|
B1
|
C
|
C1
|
D
|
H
|
L
|
L1
|
L2
|
L3
|
L4
|
d1
|
b1
|
t1
|
l1
|
d2
|
b2
|
t2
|
l2
|
h
|
|
400
|
355
|
900
|
800
|
400
|
355
|
35
|
1250
|
600
|
600
|
450
|
630
|
375
|
110
|
28
|
116
|
165
|
180
|
45
|
190
|
240
|
55
|
|
450
|
400
|
1000
|
900
|
450
|
400
|
39
|
1400
|
670
|
670
|
500
|
710
|
425
|
125
|
32
|
132
|
165
|
200
|
45
|
210
|
280
|
60
|
|
500
|
450
|
1120
|
1000
|
500
|
450
|
42
|
1600
|
750
|
750
|
560
|
800
|
475
|
130
|
32
|
137
|
200
|
220
|
50
|
231
|
280
|
65
|
|
560
|
500
|
1250
|
1120
|
560
|
500
|
45
|
1800
|
850
|
850
|
630
|
900
|
530
|
150
|
36
|
158
|
200
|
250
|
56
|
262
|
330
|
72
|
|
630
|
560
|
1400
|
1250
|
630
|
560
|
48
|
2000
|
950
|
950
|
710
|
1000
|
600
|
170
|
40
|
179
|
240
|
280
|
63
|
292
|
380
|
80
|
|
710
|
630
|
1600
|
1400
|
710
|
630
|
52
|
2240
|
1060
|
1060
|
800
|
1250
|
670
|
190
|
45
|
200
|
280
|
320
|
70
|
334
|
380
|
88
|
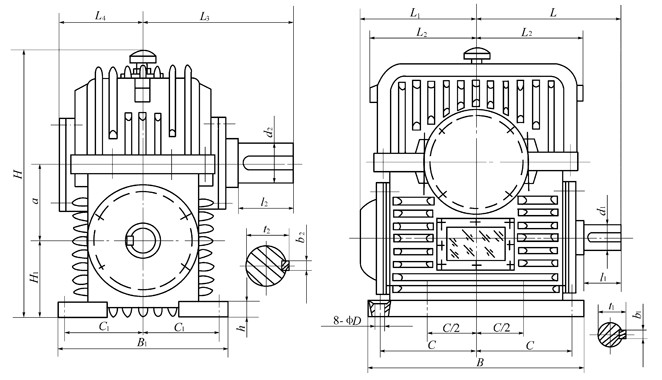
整体式PWO80、PWO100、PWO125、PWO140、PWO160、PWO180、PWO200、PWO225、PWO250、PWO280、PWO315、PWO355、型平面二次包络环面蜗杆减速机主要尺寸(GB/T16449-1996)

PWO型减速器主要尺寸(整体式) /mm
|
a
|
H1
|
B
|
B1
|
C
|
C1
|
D
|
H
|
L
|
L1
|
L2
|
L3
|
L4
|
L5
|
d1
|
b1
|
t1
|
l1
|
d2
|
b2
|
t2
|
l2
|
h
|
|
80
|
125
|
250
|
190
|
112
|
80
|
14
|
300
|
160
|
160
|
125
|
180
|
100
|
90
|
25
|
8
|
28
|
42
|
45
|
14
|
48.5
|
82
|
30
|
|
100
|
160
|
300
|
236
|
130
|
100
|
16
|
375
|
200
|
200
|
160
|
212
|
125
|
118
|
32
|
10
|
35
|
58
|
55
|
16
|
59
|
82
|
35
|
|
125
|
180
|
355
|
280
|
160
|
125
|
18
|
425
|
236
|
236
|
190
|
250
|
150
|
140
|
38
|
10
|
41
|
58
|
65
|
18
|
69
|
105
|
38
|
|
140
|
200
|
400
|
315
|
180
|
140
|
20
|
475
|
265
|
265
|
212
|
280
|
160
|
160
|
42
|
12
|
45
|
82
|
70
|
20
|
74.5
|
105
|
40
|
|
160
|
215
|
450
|
355
|
200
|
160
|
21
|
530
|
300
|
300
|
236
|
315
|
190
|
180
|
48
|
14
|
51.5
|
82
|
80
|
22
|
85
|
130
|
42
|
|
180
|
250
|
500
|
400
|
225
|
180
|
22
|
600
|
335
|
335
|
265
|
355
|
212
|
200
|
56
|
16
|
60
|
82
|
90
|
25
|
95
|
130
|
45
|
|
200
|
280
|
560
|
450
|
250
|
200
|
24
|
670
|
355
|
355
|
300
|
400
|
236
|
224
|
60
|
18
|
64
|
105
|
100
|
28
|
106
|
165
|
50
|
|
225
|
315
|
630
|
500
|
280
|
225
|
26
|
750
|
400
|
400
|
315
|
450
|
265
|
250
|
65
|
18
|
69
|
105
|
110
|
28
|
116
|
165
|
53
|
|
250
|
355
|
670
|
530
|
300
|
250
|
28
|
850
|
450
|
450
|
355
|
500
|
280
|
280
|
70
|
20
|
74.5
|
105
|
125
|
32
|
132
|
165
|
57
|
|
280
|
400
|
800
|
600
|
355
|
280
|
30
|
900
|
475
|
475
|
400
|
560
|
315
|
315
|
85
|
22
|
90
|
130
|
140
|
36
|
148
|
200
|
60
|
|
315
|
450
|
900
|
670
|
375
|
315
|
32
|
1000
|
560
|
560
|
450
|
630
|
355
|
355
|
90
|
25
|
95
|
130
|
150
|
36
|
158
|
200
|
67
|
|
355
|
500
|
1000
|
750
|
425
|
355
|
35
|
1180
|
670
|
670
|
500
|
710
|
400
|
400
|
100
|
28
|
106
|
165
|
170
|
40
|
179
|
240
|
75
|
剖分式PWO400、PWO450、PWO500、PWO560、PWO630、PWO710、型平面二次包络环面蜗杆减速机主要尺寸(GB/T16449-1996)

PWO型减速器主要尺寸(剖分式) /mm
|
a
|
H1
|
B
|
B1
|
C
|
C1
|
D
|
H
|
L
|
L1
|
L2
|
L3
|
L4
|
d1
|
b1
|
t1
|
l1
|
d2
|
b2
|
t2
|
l2
|
h
|
|
400
|
500
|
900
|
800
|
400
|
355
|
35
|
1250
|
600
|
600
|
450
|
630
|
375
|
110
|
28
|
116
|
165
|
180
|
45
|
190
|
240
|
55
|
|
450
|
560
|
1000
|
900
|
450
|
400
|
39
|
1400
|
670
|
670
|
500
|
710
|
425
|
125
|
32
|
132
|
165
|
200
|
45
|
210
|
280
|
60
|
|
500
|
630
|
1120
|
1000
|
500
|
450
|
42
|
1600
|
750
|
750
|
560
|
800
|
475
|
130
|
32
|
137
|
200
|
220
|
50
|
231
|
280
|
65
|
|
560
|
710
|
1250
|
1120
|
560
|
500
|
45
|
1800
|
850
|
850
|
630
|
900
|
530
|
150
|
36
|
158
|
200
|
250
|
56
|
262
|
330
|
72
|
|
630
|
800
|
1400
|
1250
|
630
|
560
|
48
|
2000
|
950
|
950
|
710
|
1000
|
600
|
170
|
40
|
179
|
240
|
280
|
63
|
292
|
380
|
80
|
|
710
|
900
|
1600
|
1400
|
710
|
630
|
52
|
2240
|
1060
|
1060
|
800
|
1250
|
670
|
190
|
45
|
200
|
280
|
320
|
70
|
334
|
380
|
88
|
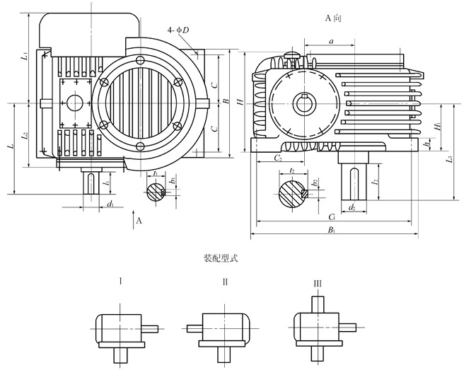
PWS80、PWS100、PWS125、PWS140、PWS160、PWS180、PWS200、PWS225、PWS250、PWS280、PWS315、PWS355、PWS400、PWS450、PWS500、PWS560、PWS630、型平面二次包络环面蜗杆减速机主要尺寸(GB/T16449-1996)

PWS型减速器主要尺寸 /mm
|
a
|
H1
|
B
|
B1
|
C
|
C1
|
C2
|
D
|
H
|
L
|
L1
|
L2
|
L3
|
d1
|
b1
|
t1
|
l1
|
d2
|
b2
|
t2
|
l2
|
h
|
|
80
|
95
|
100
|
315
|
80
|
265
|
80
|
14
|
200
|
160
|
118
|
118
|
170
|
25
|
8
|
28
|
42
|
45
|
14
|
48.5
|
82
|
30
|
|
100
|
125
|
125
|
355
|
100
|
315
|
100
|
16
|
236
|
200
|
140
|
140
|
212
|
32
|
10
|
35
|
58
|
55
|
16
|
59
|
82
|
35
|
|
125
|
140
|
140
|
400
|
118
|
355
|
118
|
18
|
280
|
236
|
170
|
170
|
250
|
38
|
10
|
41
|
58
|
65
|
18
|
69
|
105
|
38
|
|
140
|
160
|
160
|
450
|
132
|
400
|
132
|
20
|
300
|
265
|
190
|
190
|
280
|
42
|
12
|
45
|
82
|
70
|
20
|
74.5
|
105
|
40
|
|
160
|
180
|
180
|
500
|
150
|
450
|
150
|
21
|
335
|
300
|
212
|
212
|
315
|
48
|
14
|
51.5
|
82
|
80
|
22
|
85
|
130
|
42
|
|
180
|
200
|
200
|
560
|
170
|
500
|
160
|
22
|
375
|
335
|
236
|
236
|
355
|
56
|
16
|
60
|
82
|
90
|
25
|
95
|
130
|
45
|
|
200
|
224
|
224
|
630
|
190
|
560
|
170
|
24
|
425
|
355
|
265
|
265
|
400
|
60
|
18
|
64
|
105
|
100
|
28
|
106
|
165
|
48
|
|
225
|
250
|
250
|
710
|
212
|
630
|
190
|
26
|
475
|
400
|
300
|
300
|
425
|
65
|
18
|
69
|
105
|
110
|
28
|
116
|
165
|
50
|
|
250
|
280
|
280
|
800
|
245
|
710
|
200
|
28
|
530
|
450
|
355
|
355
|
475
|
70
|
20
|
74.5
|
105
|
125
|
32
|
132
|
165
|
52
|
|
280
|
315
|
315
|
900
|
265
|
800
|
224
|
30
|
600
|
500
|
375
|
375
|
530
|
85
|
22
|
90
|
130
|
140
|
36
|
148
|
200
|
55
|
|
315
|
355
|
355
|
1000
|
300
|
900
|
250
|
32
|
670
|
560
|
425
|
425
|
560
|
90
|
25
|
95
|
130
|
150
|
36
|
158
|
200
|
58
|
|
355
|
400
|
400
|
1120
|
335
|
1000
|
265
|
35
|
750
|
600
|
450
|
450
|
670
|
100
|
28
|
106
|
165
|
170
|
40
|
179
|
240
|
|
|
400
|
450
|
450
|
1250
|
375
|
1120
|
315
|
35
|
850
|
670
|
500
|
500
|
710
|
110
|
28
|
116
|
165
|
180
|
45
|
190
|
240
|
65
|
|
450
|
500
|
500
|
1400
|
425
|
1250
|
355
|
39
|
950
|
750
|
560
|
560
|
800
|
125
|
32
|
132
|
165
|
200
|
45
|
210
|
280
|
70
|
|
500
|
560
|
560
|
1600
|
475
|
1400
|
400
|
42
|
1060
|
800
|
600
|
600
|
900
|
130
|
32
|
137
|
200
|
220
|
50
|
231
|
280
|
75
|
|
560
|
630
|
630
|
1800
|
530
|
1600
|
450
|
45
|
1180
|
900
|
670
|
670
|
1000
|
150
|
36
|
158
|
200
|
250
|
56
|
262
|
330
|
78
|
|
630
|
710
|
710
|
2000
|
600
|
1800
|
500
|
48
|
1320
|
1000
|
750
|
750
|
1100
|
170
|
40
|
179
|
240
|
280
|
63
|
292
|
380
|
82
|
|
710
|
800
|
800
|
2240
|
670
|
2000
|
560
|
52
|
1500
|
1120
|
850
|
850
|
1250
|
190
|
45
|
200
|
280
|
320
|
70
|
334
|
380
|
88
|
PW型平面二次包络环面蜗杆减速机基本参数(GB/T16449-1996)
1.中心距
PW型蜗杆减速器中心距a见表1。
表1 中心距a /mm
|
第一系列
|
80 100 125 160 200 250 315 400 500 630
|
|
第二系列
|
140 180 225 280 355 450 560 710
|
注:优先选用第一系列。
2.公称传动比
PW型蜗杆减速器公称传动比iN见表2。
表2 公称传动比iN
|
第一系列
|
10 12.5 16 20 25 31.5 40 50 63
|
|
第二系列
|
14 18 22.4 28 35.5 45 56
|
PW型蜗杆减速机的额定输入功率和额定输出转矩(GB/T16449-1996)
, ,|
公称
传动
比iN
|
输入转
速n1
r/min-1
|
功率
转矩
|
中心距/mm
|
|||||||||||||||||
|
80
|
100
|
125
|
140
|
160
|
180
|
200
|
225
|
250
|
280
|
315
|
355
|
400
|
450
|
500
|
560
|
630
|
710
|
|||
|
额定输入功率P1/kW、额定输出转矩T2/N·m
|
||||||||||||||||||||
|
10
|
1500
|
P1
T2
|
6.71
384
|
11.5
666
|
19.7
1141
|
25.9
1516
|
35.7
2093
|
47.5
2811
|
61.2
3626
|
81.4
4870
|
105
6280
|
138
8343
|
183
11087
|
245
14795
|
261
15787
|
347
20979
|
—
|
—
|
—
|
—
|
|
1000
|
P1
T2
|
6.20
533
|
10.6
923
|
18.2
1581
|
23.9
2102
|
33.0
2901
|
43.9
3897
|
56.6
5025
|
75.2
6749
|
97.0
8703
|
127
11563
|
169
15366
|
226
20505
|
241
21881
|
320
29076
|
413
37495
|
543
49291
|
722
65499
|
963
87408
|
|
|
750
|
P1
T2
|
5.22
591
|
8.94
1019
|
15.3
1755
|
20.1
2333
|
27.8
3220
|
36.9
4326
|
47.6
5579
|
63.3
7494
|
81.6
9664
|
107
12842
|
143
17064
|
190
22772
|
203
24300
|
270
32290
|
348
41640
|
457
54740
|
608
72740
|
811
97071
|
|
|
500
|
P1
T2
|
4.20
697
|
7.20
1202
|
12.3
2071
|
16.2
2754
|
22.4
3801
|
29.7
5107
|
38.3
6586
|
50.9
8849
|
65.7
11412
|
86.3
15167
|
115
20145
|
153
26896
|
163
28700
|
217
38137
|
280
49181
|
368
64653
|
489
85913
|
652
114649
|
|
|
12.5
|
1500
|
P1
T2
|
5.88
417
|
10.1
722
|
17.3
1237
|
22.7
1645
|
31.3
2270
|
41.7
3066
|
53.7
3954
|
71.4
5311
|
92.0
6849
|
121
9100
|
161
12092
|
215
16137
|
229
17220
|
304
22882
|
392
29508
|
—
|
—
|
—
|
|
1000
|
P1
T2
|
5.26
558
|
9.00
968
|
15.4
1658
|
20.3
2204
|
28.0
3042
|
37.2
4109
|
48.0
5298
|
63.8
7117
|
82.2
9178
|
108
12194
|
144
16204
|
192
21624
|
205
23074
|
272
30661
|
351
39540
|
461
51980
|
612
69072
|
817
92176
|
|
|
750
|
P1
T2
|
4.31
604
|
7.39
1041
|
12.7
1794
|
16.7
2386
|
23.0
3293
|
30.5
4448
|
39.4
5737
|
52.3
7665
|
67.5
9884
|
88.7
13135
|
118
17454
|
157
23292
|
168
24854
|
223
33027
|
288
42591
|
378
55993
|
503
74401
|
671
99287
|
|
|
500
|
P1
T2
|
3.29
676
|
5.65
1166
|
9.67
2009
|
12.7
2672
|
17.6
3688
|
23.3
4956
|
30.1
6392
|
40.0
8589
|
51.5
11076
|
67.8
14722
|
90.0
19563
|
120
25819
|
128
27857
|
170
37018
|
220
47737
|
289
62755
|
384
83390
|
512
111283
|
|
|
14
|
1500
|
P1
T2
|
5.45
430
|
9.34
745
|
16.0
1277
|
21.0
1688
|
29.0
2330
|
38.6
3165
|
49.8
4082
|
66.1
5483
|
85.3
7070
|
112
9395
|
149
12484
|
199
16660
|
212
17777
|
282
23623
|
364
30463
|
478
40047
|
—
|
—
|
|
1000
|
P1
T2
|
4.90
580
|
8.40
1005
|
14.4
1723
|
18.9
2277
|
26.1
3143
|
34.7
4269
|
44.8
5506
|
59.5
7396
|
76.7
9537
|
101
12673
|
134
16840
|
179
22472
|
191
23980
|
254
31865
|
327
41092
|
430
54020
|
571
71783
|
762
95793
|
|
|
750
|
P1
T2
|
4.00
620
|
6.85
1075
|
11.7
1853
|
15.4
2464
|
21.3
3401
|
28.3
4544
|
36.5
5860
|
48.5
7917
|
62.6
10209
|
82.3
13568
|
109
18029
|
146
24060
|
156
25674
|
207
34116
|
267
43995
|
351
57836
|
466
76854
|
622
102560
|
|
|
500
|
P1
T2
|
3.06
695
|
5.24
1205
|
8.98
2078
|
11.8
2761
|
16.3
3814
|
21.7
5097
|
27.9
6572
|
37.1
8833
|
47.8
11391
|
62.9
15143
|
83.6
20122
|
112
26852
|
119
28653
|
158
38075
|
204
49101
|
268
64548
|
356
85773
|
476
114463
|
|
|
16
|
1500
|
P1
T2
|
4.98
446
|
8.54
774
|
14.6
1326
|
19.2
1763
|
26.5
2433
|
35.3
3233
|
45.5
4169
|
60.4
5663
|
77.9
7303
|
102
9706
|
136
12897
|
182
17211
|
194
18365
|
258
24441
|
332
31470
|
437
41372
|
—
|
—
|
|
1000
|
P1
T2
|
4.51
606
|
7.73
1051
|
13.2
1801
|
17.4
2394
|
24.0
3305
|
31.9
4391
|
41.2
5663
|
54.7
7692
|
70.6
9920
|
92.8
13183
|
123
17517
|
165
23377
|
176
24945
|
233
33147
|
301
42746
|
395
56194
|
525
74604
|
701
99648
|
|
|
750
|
P1
T2
|
3.65
643
|
6.25
1108
|
10.7
1920
|
14.1
2553
|
19.4
3524
|
25.8
4735
|
33.3
6106
|
44.3
8114
|
57.1
10464
|
75.0
14062
|
99.7
18685
|
133
24935
|
142
26608
|
189
35357
|
243
45595
|
320
59940
|
425
79650
|
567
106292
|
|
|
500
|
P1
T2
|
2.62
725
|
4.84
1250
|
8.29
2154
|
10.9
2865
|
15.0
3954
|
20.0
5316
|
25.8
6855
|
34.3
9214
|
44.2
11881
|
58.1
15797
|
77.2
20991
|
103
28013
|
110
29892
|
146
39721
|
188
52223
|
248
67338
|
329
89480
|
439
119410
|
|
|
18
|
1500
|
P1
T2
|
4.59
460
|
7.86
793
|
13.5
1359
|
17.7
1817
|
24.4
2508
|
32.5
3351
|
41.9
4321
|
55.7
5742
|
71.8
7405
|
94.4
9951
|
125
13223
|
167
17646
|
179
18829
|
237
25021
|
306
32266
|
402
42417
|
—
|
—
|
|
1000
|
P1
T2
|
3.92
587
|
6.72
1017
|
11.5
1742
|
15.1
2316
|
20.9
3197
|
27.8
4296
|
35.8
5540
|
47.6
7362
|
61.4
9493
|
80.7
12757
|
107
16952
|
143
22623
|
153
24140
|
203
32078
|
262
41367
|
344
54381
|
457
72263
|
610
96434
|
|
|
750
|
P1
T2
|
3.29
646
|
5.65
1113
|
9.67
1929
|
12.7
2565
|
17.6
3540
|
23.3
4785
|
30.1
6170
|
40.0
8246
|
51.5
10633
|
67.8
13978
|
90.0
18574
|
120
24787
|
128
26743
|
170
35537
|
220
45827
|
289
60245
|
384
80055
|
512
106832
|
|
|
500
|
P1
T2
|
2.51
716
|
4.30
1235
|
7.37
2128
|
9.69
2831
|
13.4
3908
|
17.8
5254
|
22.9
6776
|
30.5
9109
|
39.3
11746
|
51.6
15620
|
68.6
20756
|
91.6
27698
|
97.7
29556
|
130
39275
|
167
50647
|
220
66582
|
292
88475
|
390
118068
|
|
|
20
|
1500
|
P1
T2
|
4.20
462
|
7.19
797
|
12.3
1365
|
16.2
1815
|
22.4
2505
|
29.7
3386
|
38.3
4367
|
50.9
5835
|
65.7
7524
|
86.3
9882
|
115
13144
|
153
17541
|
163
18925
|
217
25148
|
280
32431
|
368
42634
|
—
|
—
|
|
1000
|
P1
T2
|
3.61
593
|
6.18
1021
|
10.6
1761
|
13.9
2341
|
19.2
3231
|
25.5
4367
|
32.9
5632
|
43.8
7525
|
56.5
9704
|
74.2
12757
|
98.6
16952
|
132
22623
|
140
24408
|
187
32434
|
241
41826
|
316
54985
|
420
73066
|
561
97505
|
|
|
750
|
P1
T2
|
2.98
641
|
5.11
1106
|
8.75
1917
|
11.5
2549
|
15.9
3519
|
21.1
4783
|
27.2
6168
|
36.2
8243
|
46.6
10629
|
61.3
14052
|
81.5
18672
|
109
24918
|
116
26598
|
154
35332
|
199
45563
|
261
59898
|
347
79594
|
463
106217
|
|
|
500
|
P1
T2
|
2.31
725
|
3.97
1250
|
6.79
2154
|
8.93
2866
|
12.3
3956
|
16.4
5320
|
21.1
6860
|
28.1
9223
|
36.2
11894
|
47.6
15817
|
63.2
21018
|
84.4
28049
|
90.1
29930
|
120
39772
|
154
51289
|
203
67425
|
270
89596
|
360
119564
|
|
|
22.4
|
1500
|
P1
T2
|
3.84
496
|
6.59
808
|
11.3
1384
|
14.8
1841
|
20.5
2541
|
27.2
3435
|
35.1
4429
|
46.6
5919
|
60.1
7633
|
79.1
10147
|
105
13483
|
140
17993
|
150
19200
|
199
25514
|
256
32902
|
337
43253
|
—
|
—
|
|
1000
|
P1
T2
|
3.29
599
|
5.65
1039
|
9.67
1780
|
12.7
2367
|
17.6
3267
|
23.3
4416
|
30.1
5695
|
40.0
7610
|
51.5
9813
|
67.8
13046
|
90.0
17336
|
120
23134
|
128
24686
|
170
32803
|
220
42302
|
289
55611
|
384
73897
|
512
98614
|
|
|
750
|
P1
T2
|
2.75
654
|
4.70
1134
|
8.06
1943
|
10.6
2584
|
14.6
3567
|
19.4
4851
|
25.1
6256
|
33.3
8360
|
43.0
10781
|
56.5
14334
|
75.0
19048
|
100
25419
|
107
27124
|
142
36043
|
183
46480
|
241
61103
|
320
81195
|
427
108353
|
|
|
500
|
P1
T2
|
2.12
729
|
3.63
1258
|
6.22
2155
|
8.18
2868
|
11.3
3959
|
15.0
5325
|
19.3
6867
|
25.7
9234
|
33.1
11908
|
43.6
15935
|
57.9
21174
|
77.2
28257
|
82.4
30857
|
110
41004
|
141
52878
|
186
69513
|
247
92371
|
329
123268
|
|
|
25
|
1500
|
P1
T2
|
3.45
467
|
5.91
810
|
10.1
1387
|
13.3
1845
|
18.4
2546
|
24.4
3423
|
31.5
4414
|
41.9
5898
|
54.0
7606
|
71.0
10056
|
94.3
13363
|
126
17832
|
134
19028
|
178
25285
|
230
32607
|
303
42866
|
—
|
—
|
|
1000
|
P1
T2
|
2.94
590
|
5.04
1023
|
8.64
1773
|
11.4
2358
|
15.7
3255
|
20.8
4376
|
26.9
5643
|
35.7
7541
|
46.0
9724
|
60.5
12856
|
80.4
17083
|
107
22797
|
114
24326
|
152
32325
|
196
41685
|
258
54800
|
343
72819
|
457
97176
|
|
|
750
|
P1
T2
|
2.51
663
|
4.30
1143
|
7.37
1971
|
9.69
2622
|
13.4
3619
|
17.8
4865
|
22.9
6274
|
30.5
8434
|
39.3
10876
|
51.6
14463
|
68.6
19218
|
91.6
25646
|
97.7
27367
|
130
36365
|
167
46896
|
220
61650
|
292
81921
|
390
109323
|
|
|
500
|
P1
T2
|
1.88
710
|
3.23
1225
|
5.53
2112
|
7.27
2811
|
10.0
3880
|
13.3
5187
|
17.2
6689
|
22.8
9052
|
29.5
14091
|
38.7
15716
|
51.5
20883
|
68.7
27869
|
73.3
29738
|
97.4
39516
|
126
50959
|
165
66991
|
219
89019
|
293
118795
|
|
|
28
|
1500
|
P1
T2
|
3.10
453
|
5.31
786
|
9.10
1354
|
12.0
1791
|
16.5
2472
|
21.9
3324
|
28.3
4287
|
37.6
5763
|
48.7
7432
|
63.7
9940
|
84.7
13209
|
113
17627
|
121
18810
|
160
24995
|
207
32232
|
272
42373
|
—
|
—
|
|
1000
|
P1
T2
|
2.71
593
|
4.64
1023
|
7.95
1764
|
10.4
2346
|
14.4
3239
|
19.2
4355
|
24.7
5616
|
32.8
7550
|
42.3
9737
|
55.7
13023
|
74.0
17306
|
98.7
23094
|
105
24643
|
140
32746
|
180
42229
|
237
55514
|
315
73768
|
421
98443
|
|
|
750
|
P1
T2
|
2.27
657
|
3.90
1133
|
6.68
1953
|
8.78
2589
|
12.1
3587
|
16.1
4823
|
20.8
6220
|
27.6
8364
|
35.6
10786
|
46.8
14346
|
62.2
19063
|
83.0
25439
|
88.5
27146
|
118
36072
|
152
46517
|
199
61152
|
265
81260
|
354
108441
|
|
|
500
|
P1
T2
|
1.80
743
|
3.09
1281
|
5.30
2196
|
6.96
2905
|
9.61
4010
|
12.8
5397
|
16.5
6959
|
21.9
9365
|
28.2
12077
|
37.1
16174
|
49.3
21492
|
65.8
28681
|
70.2
30604
|
93.3
40668
|
120
52444
|
158
68943
|
210
91613
|
280
122257
|
|
|
31.5
|
1500
|
P1
T2
|
2.78
447
|
4.77
770
|
8.18
1328
|
10.7
1768
|
14.8
2440
|
19.7
3282
|
25.4
4232
|
33.8
5691
|
43.6
7339
|
57.3
12974
|
76.1
12974
|
102
17313
|
108
18475
|
144
24550
|
186
31658
|
244
41618
|
—
|
—
|
|
1000
|
P1
T2
|
2.43
585
|
4.17
1009
|
7.14
1740
|
9.39
2315
|
13.0
3196
|
17.2
4299
|
22.2
5543
|
29.5
7455
|
38.0
9614
|
50.0
12789
|
66.5
16994
|
88.7
22678
|
94.6
24199
|
126
32156
|
162
41468
|
213
54514
|
283
72440
|
378
96670
|
|
|
750
|
P1
T2
|
1.80
572
|
3.09
986
|
5.30
1700
|
6.96
2263
|
9.61
3123
|
12.8
4201
|
16.5
5418
|
21.9
7287
|
28.2
9397
|
37.1
12502
|
49.3
16613
|
65.8
22170
|
70.2
23657
|
93.3
31436
|
120
40539
|
158
53293
|
210
70818
|
280
94505
|
|
|
500
|
P1
T2
|
1.57
708
|
2.69
1221
|
4.61
2106
|
6.06
2787
|
8.36
3847
|
11.1
5146
|
14.3
6636
|
19.0
8932
|
24.5
11519
|
32.3
15337
|
42.9
20380
|
57.2
27196
|
61.1
29021
|
81.1
38563
|
105
49730
|
138
65376
|
183
86873
|
244
115930
|
|
|
35.5
|
1500
|
P1
T2
|
2.43
431
|
4.17
744
|
7.14
1283
|
9.39
1697
|
13.0
2343
|
17.2
3152
|
22.2
4065
|
29.5
5468
|
38.0
7051
|
50.0
9439
|
66.5
12543
|
88.7
16738
|
94.6
17861
|
126
23734
|
162
30606
|
213
40235
|
—
|
—
|
|
1000
|
P1
T2
|
2.20
584
|
3.76
1008
|
6.45
1738
|
8.48
2299
|
11.7
3174
|
15.6
4270
|
20.0
5507
|
26.6
7408
|
34.4
9553
|
45.2
12788
|
60.0
16993
|
80.1
22677
|
85.5
24198
|
114
32155
|
146
41466
|
193
54512
|
256
72437
|
341
96666
|
|
|
750
|
P1
T2
|
1.88
655
|
3.23
1130
|
5.53
1949
|
7.27
2595
|
10.0
3582
|
13.3
4820
|
17.2
6216
|
22.8
8363
|
29.5
10784
|
38.7
14352
|
51.5
19072
|
68.7
25451
|
73.3
27158
|
97.4
36089
|
126
46539
|
165
61180
|
219
81298
|
293
108490
|
|
|
500
|
P1
T2
|
1.49
738
|
2.55
1273
|
4.38
2196
|
5.75
2906
|
7.94
4011
|
10.6
5402
|
13.6
6966
|
18.1
9318
|
23.3
12016
|
30.6
16108
|
40.7
21405
|
54.4
28565
|
58.0
30481
|
77.1
40503
|
99.4
52232
|
131
68665
|
174
91243
|
232
121762
|
|
|
40
|
1500
|
P1
T2
|
2.27
440
|
3.90
759
|
6.68
1310
|
8.78
1744
|
12.1
2408
|
16.1
3240
|
20.8
4178
|
27.6
5623
|
35.6
7251
|
46.8
9651
|
62.2
12825
|
83.0
17115
|
88.5
18263
|
118
24268
|
152
31295
|
199
41141
|
265
54669
|
—
|
|
1000
|
P1
T2
|
1.88
547
|
3.23
943
|
5.53
1626
|
7.27
2165
|
10.0
2989
|
13.3
4022
|
17.2
5187
|
22.8
6980
|
29.5
9001
|
38.7
11981
|
51.5
15920
|
68.7
21246
|
73.3
22671
|
97.4
30125
|
126
38849
|
165
51071
|
219
67864
|
293
90564
|
|
|
750
|
P1
T2
|
1.65
629
|
2.82
1085
|
4.84
1872
|
6.36
2494
|
8.78
3442
|
11.7
4633
|
15.0
5975
|
20.0
8041
|
25.8
10370
|
33.9
13805
|
45.0
18345
|
60.1
24481
|
64.1
26123
|
85.2
34712
|
110
44764
|
144
58847
|
192
78198
|
256
104354
|
|
|
500
|
P1
T2
|
1.22
659
|
2.08
1138
|
3.57
1964
|
4.69
2617
|
6.48
3613
|
8.61
4867
|
11.1
6276
|
14.8
8452
|
19.0
10900
|
25.0
14520
|
33.2
19295
|
44.3
25748
|
47.3
27475
|
62.9
36510
|
81.1
47082
|
107
61895
|
142
82247
|
189
109758
|
|
|
45
|
1500
|
P1
T2
|
2.04
435
|
3.49
751
|
5.99
1304
|
7.87
1737
|
10.9
2397
|
14.4
3227
|
18.6
4161
|
24.7
5600
|
31.9
7222
|
41.9
9614
|
55.7
12776
|
74.4
17049
|
79.4
18193
|
105
24175
|
136
31175
|
179
40983
|
238
54459
|
—
|
|
1000
|
P1
T2
|
1.76
565
|
3.02
975
|
5.18
1693
|
6.81
2293
|
9.40
3112
|
12.5
4189
|
16.1
5401
|
21.4
7270
|
27.6
9375
|
36.3
12480
|
48.2
16584
|
64.4
22131
|
68.7
23615
|
91.3
31381
|
118
40468
|
155
53199
|
206
70692
|
274
94338
|
|
|
750
|
P1
T2
|
1.57
661
|
2.69
1140
|
4.61
1966
|
6.06
2602
|
8.36
3592
|
11.1
4837
|
14.3
6238
|
19.0
8343
|
24.5
10759
|
32.3
14237
|
42.9
18918
|
57.2
25246
|
61.1
26939
|
81.1
35797
|
105
46163
|
138
60686
|
183
80641
|
244
107615
|
|
|
500
|
P1
T2
|
1.29
773
|
2.22
1334
|
3.80
2303
|
5.00
3069
|
6.90
4238
|
9.16
5712
|
11.8
7364
|
15.7
9852
|
20.2
12705
|
26.6
17046
|
35.4
22651
|
47.2
30227
|
50.4
32255
|
66.9
42861
|
86.3
55272
|
113
72661
|
151
96554
|
201
128849
|
|
|
50
|
1500
|
P1
T2
|
1.84
428
|
3.16
744
|
5.41
1275
|
7.12
1699
|
9.82
2345
|
13.1
3157
|
16.8
4072
|
22.4
5482
|
28.8
7069
|
37.9
9414
|
50.4
12510
|
87.2
16694
|
71.7
17814
|
95.3
23671
|
123
30525
|
162
40129
|
215
53324
|
—
|
|
1000
|
P1
T2
|
1.61
560
|
2.76
974
|
4.72
1668
|
6.21
2223
|
8.57
3068
|
11.4
4132
|
14.7
5328
|
19.5
7173
|
25.2
9250
|
33.1
12318
|
43.9
16369
|
58.6
21844
|
62.6
23309
|
83.2
30974
|
107
39943
|
141
52509
|
187
69776
|
250
93115
|
|
|
750
|
P1
T2
|
1.33
611
|
2.28
1055
|
3.92
1820
|
5.15
2425
|
7.10
3347
|
9.44
4508
|
12.2
5814
|
16.2
7828
|
20.9
10095
|
27.4
13446
|
36.4
17867
|
48.6
23843
|
51.9
25442
|
69.0
33808
|
88.9
43598
|
117
57315
|
155
76161
|
207
101636
|
|
|
500
|
P1
T2
|
1.02
662
|
1.74
1143
|
2.99
1973
|
3.94
2631
|
5.43
3632
|
7.22
4895
|
9.31
6313
|
12.4
8507
|
16.0
10970
|
21.0
14622
|
27.9
19430
|
37.2
25929
|
39.7
27668
|
52.7
36766
|
68.0
47412
|
89.4
62328
|
119
82823
|
159
110526
|
|
|
56
|
1500
|
P1
T2
|
1.69
430
|
2.89
747
|
4.95
1280
|
6.51
1706
|
8.99
2355
|
11.9
3172
|
15.4
4090
|
20.5
5471
|
26.4
7150
|
34.7
9523
|
46.1
12654
|
61.5
16887
|
65.6
18019
|
87.2
23944
|
112
30878
|
148
40592
|
196
53940
|
—
|
|
1000
|
P1
T2
|
1.45
555
|
2.49
964
|
4.26
1652
|
5.60
2202
|
7.73
3039
|
10.3
4094
|
13.2
5279
|
17.6
7062
|
22.7
9228
|
29.8
12291
|
39.7
16332
|
52.9
21795
|
56.5
23257
|
75.0
30905
|
96.8
39854
|
127
52393
|
169
69620
|
226
92907
|
|
|
750
|
P1
T2
|
1.33
670
|
2.28
1157
|
3.92
1996
|
5.14
2661
|
7.10
3673
|
9.44
4948
|
12.2
6381
|
16.2
8595
|
20.9
11083
|
27.4
14766
|
36.4
19621
|
48.6
24184
|
51.9
27940
|
69.0
37128
|
88.9
47879
|
117
62942
|
155
83639
|
207
111615
|
|
|
500
|
P1
T2
|
1.10
787
|
1.88
1359
|
3.22
2345
|
4.24
3106
|
5.85
4287
|
7.78
5780
|
10.0
7453
|
13.3
10118
|
17.2
13048
|
22.6
17274
|
30.0
22954
|
40.1
30631
|
42.7
32686
|
56.8
43434
|
73.2
56011
|
96.3
73633
|
128
97845
|
171
130572
|
|
|
63
|
1500
|
P1
T2
|
1.49
418
|
2.55
727
|
4.38
1246
|
5.75
1661
|
7.94
2293
|
10.6
3090
|
13.6
3984
|
18.1
5367
|
23.3
6921
|
30.7
9221
|
40.7
12254
|
54.4
16352
|
58.0
17449
|
77.1
23187
|
99.4
29901
|
131
39308
|
174
52234
|
—
|
|
1000
|
P1
T2
|
1.33
562
|
2.28
976
|
3.92
1673
|
5.15
2230
|
7.10
3078
|
9.44
4147
|
12.2
5347
|
16.2
7203
|
20.9
9289
|
27.4
12376
|
36.4
16446
|
48.6
21946
|
51.9
23419
|
69.0
31119
|
88.9
40130
|
117
52756
|
155
70103
|
207
93551
|
|
|
750
|
P1
T2
|
1.22
673
|
2.08
1162
|
3.57
2005
|
4.69
2673
|
6.48
3690
|
8.61
4972
|
11.1
6412
|
14.8
8638
|
19.0
11279
|
25.0
14845
|
33.2
19726
|
44.3
26324
|
47.3
28090
|
62.9
37327
|
81.1
48135
|
107
63279
|
142
84087
|
189
112213
|
|
|
500
|
P1
T2
|
0.82
644
|
1.41
1112
|
2.42
1921
|
3.18
2563
|
4.39
3538
|
5.83
4771
|
7.52
6153
|
9.99
8297
|
12.9
10699
|
16.9
14269
|
22.5
18961
|
30.0
25303
|
32.1
27000
|
42.6
35879
|
54.9
46268
|
72.2
60824
|
96.0
80825
|
128
107859
|
|
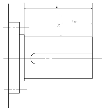
PW型蜗杆减速机输出轴轴端许用径向力F(GB/T16449-1996)

PW型蜗杆减速器输出轴轴端许用径向力F。
许用径向力F1
|
中心距/mm
|
80
|
100
|
125
|
140
|
160
|
180
|
200
|
225
|
250
|
280
|
315
|
355
|
400
|
450
|
500
|
560
|
630
|
710
|
|
许用径向力/N
|
2250
|
3500
|
5000
|
6500
|
9000
|
11000
|
14000
|
17000
|
21700
|
27000
|
31000
|
35000
|
40000
|
43000
|
46000
|
49000
|
52000
|
56000
|
PW型蜗杆减速机的传动效率η(GB/T16449-1996)
<, TD, width="6%" nselect="null" o,>|
公称传
动比iN
|
输入转
速1/
rmin-1
|
中心距/mm
|
|||||||||
|
80
|
100
|
125
|
140
|
160
|
180
|
200
|
225
|
250
|
280~710
|
||
|
传动效率η/%
|
|||||||||||
|
10
|
1500
|
90
|
91
|
91
|
92
|
92
|
93
|
93
|
94
|
94
|
95
|
|
1000
|
90
|
91
|
91
|
92
|
92
|
93
|
93
|
94
|
94
|
95
|
|
|
750
|
89
|
89.5
|
90
|
91
|
91
|
92
|
92
|
93
|
93
|
94
|
|
|
500
|
87
|
87.5
|
88
|
89
|
89
|
90
|
90
|
91
|
91
|
92
|
|
|
12.5
|
1500
|
89
|
90
|
90
|
91
|
91
|
92.5
|
92.5
|
93.5
|
93.5
|
94.5
|
|
1000
|
89
|
90
|
90
|
91
|
91
|
92.5
|
92.5
|
93.5
|
93.5
|
94.5
|
|
|
750
|
88
|
88.5
|
89
|
90
|
90
|
91.5
|
91.5
|
92
|
92
|
93
|
|
|
500
|
86
|
86.5
|
87
|
88
|
88
|
89
|
89
|
90
|
90
|
91
|
|
|
14
|
1500
|
88.5
|
89.5
|
89.5
|
91
|
91
|
92
|
92
|
93
|
93
|
91
|
|
1000
|
88.5
|
89.5
|
89.5
|
91
|
91
|
92
|
92
|
93
|
93
|
94
|
|
|
750
|
87
|
88
|
88.5
|
89.5
|
89.5
|
91
|
91
|
91.5
|
91.5
|
92.5
|
|
|
500
|
85
|
86
|
86.5
|
87.5
|
87.5
|
88
|
88
|
89
|
89
|
90
|
|
|
16
|
1500
|
88
|
89
|
89
|
90
|
90
|
91
|
91
|
92
|
92
|
93
|
|
1000
|
88
|
89
|
89
|
90
|
90
|
91
|
91
|
92
|
92
|
93
|
|
|
750
|
86.5
|
87
|
88
|
89
|
89
|
90
|
90
|
91
|
91
|
92
|
|
|
500
|
84
|
84.5
|
85
|
86
|
86
|
87
|
87
|
88
|
88
|
89
|
|
|
18
|
1500
|
87.5
|
88
|
88
|
89.5
|
89.5
|
90
|
90
|
91
|
91
|
92
|
|
1000
|
87
|
88
|
88
|
89
|
89
|
90
|
90
|
91
|
91
|
92
|
|
|
750
|
85.5
|
86
|
87
|
88
|
88
|
89.5
|
89.5
|
90
|
90
|
91
|
|
|
500
|
83
|
83.5
|
84
|
85
|
85
|
86
|
86
|
87
|
87
|
88
|
|
|
20
|
1500
|
86.5
|
87
|
87
|
88
|
88
|
89.5
|
89.5
|
90
|
90
|
91
|
|
1000
|
86
|
86.5
|
87
|
88
|
88
|
89.5
|
89.5
|
90
|
90
|
91
|
|
|
750
|
84.5
|
85
|
86
|
87
|
87
|
89
|
89
|
89.5
|
89.5
|
90
|
|
|
500
|
82
|
82.5
|
83
|
84
|
84
|
85
|
85
|
86
|
86
|
87
|
|
|
22.4
|
1500
|
85.5
|
86
|
86
|
87
|
87
|
88.5
|
88.5
|
89
|
89
|
90
|
|
1000
|
85
|
86
|
86
|
87
|
87
|
88.5
|
88.5
|
89
|
89
|
90
|
|
|
750
|
83.5
|
84.5
|
84.5
|
85.5
|
85.5
|
87.5
|
87.5
|
88
|
88
|
89
|
|
|
500
|
80.5
|
81
|
81
|
82
|
82
|
83
|
83
|
84
|
84
|
85.5
|
|
|
25
|
1500
|
85
|
86
|
86
|
87
|
87
|
88
|
88
|
88.5
|
88.5
|
89
|
|
1000
|
84
|
85
|
86
|
87
|
87
|
88
|
88
|
88.5
|
88.5
|
89
|
|
|
750
|
83.5
|
84
|
85
|
85
|
86
|
86
|
87
|
87
|
88
|
||
|
500
|
79
|
79.5
|
80
|
81
|
81
|
81.5
|
81.5
|
83
|
84
|
85
|
|
|
28
|
1500
|
82.5
|
83
|
83.5
|
84
|
84
|
85
|
85
|
85
|
86
|
87.5
|
|
1000
|
82
|
82.5
|
83
|
84
|
84
|
85
|
85
|
86
|
86
|
87.5
|
|
|
750
|
81
|
81.5
|
82
|
83
|
83
|
84
|
84
|
85
|
85
|
86
|
|
|
500
|
77
|
77.5
|
77.5
|
78
|
78
|
79
|
79
|
80
|
80
|
81.5
|
|
|
31.5
|
1500
|
80
|
80.5
|
81
|
82
|
82
|
83
|
83
|
84
|
84
|
85
|
|
1000
|
80
|
80.5
|
81
|
82
|
82
|
83
|
83
|
84
|
84
|
85
|
|
|
750
|
77
|
77.5
|
78
|
79
|
79
|
80
|
80
|
81
|
81
|
82
|
|
|
500
|
73
|
73.5
|
74
|
74.5
|
74.5
|
75.5
|
75.5
|
76
|
76
|
77.5
|
|
|
35.5
|
1500
|
78.5
|
79
|
79.5
|
80
|
80
|
81
|
81
|
82
|
82
|
83.5
|
|
1000
|
78.5
|
79
|
79.5
|
80
|
80
|
81
|
81
|
82
|
82
|
83.5
|
|
|
750
|
77
|
77.5
|
78
|
79
|
79
|
80
|
80
|
81
|
81
|
82
|
|
|
500
|
73
|
73.5
|
74
|
74.5
|
74.5
|
75.5
|
75.5
|
76
|
76
|
77.5
|
|
|
40
|
1500
|
76
|
76.5
|
77
|
78
|
78
|
79
|
79
|
80
|
80
|
81
|
|
1000
|
76
|
76.5
|
77
|
78
|
78
|
79
|
79
|
80
|
80
|
81
|
|
|
750
|
75
|
75.5
|
76
|
77
|
77
|
78
|
78
|
79
|
79
|
80
|
|
|
500
|
71
|
71.5
|
72
|
73
|
73
|
74
|
74
|
75
|
75
|
76
|
|
|
45
|
1500
|
74.5
|
75
|
76
|
77
|
77
|
78
|
78
|
79
|
79
|
80
|
|
1000
|
74.5
|
75
|
76
|
77
|
77
|
78
|
78
|
79
|
79
|
80
|
|
|
750
|
73.5
|
74
|
74.5
|
75
|
75
|
76
|
76
|
76.5
|
76.5
|
77
|
|
|
500
|
69.5
|
70
|
70.5
|
71.5
|
71.5
|
72.5
|
72.5
|
73
|
73
|
74.5
|
|
|
50
|
1500
|
73
|
74
|
74
|
75
|
75
|
76
|
76
|
77
|
77
|
78
|
|
1000
|
73
|
74
|
74
|
75
|
75
|
76
|
76
|
77
|
77
|
78
|
|
|
750
|
72
|
72.5
|
73
|
74
|
74
|
75
|
75
|
76
|
76
|
77
|
|
|
500
|
68
|
68.5
|
69
|
70
|
70
|
71
|
71
|
72
|
72
|
73
|
|
|
56
|
1500
|
71.5
|
72.5
|
72.5
|
73.5
|
73.5
|
74.5
|
74.5
|
75
|
76
|
77
|
|
1000
|
71.5
|
72.5
|
72.5
|
73.5
|
73.5
|
74.5
|
74.5
|
75
|
76
|
77
|
|
|
750
|
70.5
|
71
|
71.5
|
72.5
|
72.5
|
73.5
|
73.5
|
74.5
|
74.5
|
75.5
|
|
|
500
|
67
|
67.5
|
68
|
68.5
|
68.5
|
69.5
|
69.5
|
71
|
71
|
71.5
|
|
|
63
|
1500
|
70
|
71
|
71
|
72
|
72
|
73
|
73
|
74
|
74
|
75
|
|
1000
|
70
|
71
|
71
|
72
|
72
|
73
|
73
|
74
|
74
|
75
|
|
|
750
|
69
|
69.5
|
70
|
71
|
71
|
72
|
72
|
73
|
73
|
74
|
|
|
500
|
65
|
65.5
|
66
|
67
|
67
|
68
|
68
|
69
|
69
|
70
|
|
PW型平面二次包络环面蜗杆减速机的选用(GB/T16449-1996)
1.选用系数
(1)选用系数KA见表1。
表1 选用系数KA
|
原动机
|
载荷性质
(工作机特性)
|
每日工作时间/h
|
||||
|
≤0.5
|
>0.5~1
|
>1~2
|
>2~10
|
>10
|
||
|
KA
|
||||||
|
电动机,汽轮机燃气轮机
(启动转矩小,偶尔作用)
|
均匀
|
0.6
|
0.7
|
0.9
|
1
|
1.2
|
|
轻度冲击
|
0.8
|
0.9
|
1.0
|
1.2
|
1.3
|
|
|
中等冲击
|
0.9
|
1.0
|
1.2
|
1.3
|
1.5
|
|
|
强烈冲击
|
1.1
|
1.2
|
1.3
|
1.5
|
1.75
|
|
|
汽轮机,燃气轮机,液动机
或电动机(启动转矩大,经
常作用)
|
均匀
|
0.7
|
0.8
|
1
|
1.1
|
1.3
|
|
轻度冲击
|
0.9
|
1
|
1.1
|
1.3
|
1.4
|
|
|
中等冲击
|
1
|
1.1
|
1.3
|
1.4
|
1.6
|
|
|
强烈冲击
|
1.1
|
1.3
|
1.4
|
1.6
|
1.9
|
|
|
多缸内燃机
|
均匀
|
0.8
|
0.9
|
1.1
|
1.3
|
1.4
|
|
轻度冲击
|
1.0
|
1.1
|
1.3
|
1.4
|
1.5
|
|
|
中等冲击
|
1.1
|
1.3
|
1.4
|
1.5
|
1.8
|
|
|
强烈冲击
|
1.3
|
1.4
|
1.5
|
1.8
|
2
|
|
|
单缸内燃机
|
均匀
|
0.9
|
1.1
|
1.3
|
1.4
|
1.6
|
|
轻度冲击
|
1.1
|
1.3
|
1.4
|
1.6
|
1.8
|
|
|
中等冲击
|
1.3
|
1.4
|
1.6
|
1.8
|
2
|
|
|
强烈冲击
|
1.4
|
1.6
|
1.8
|
2
|
2.3或更大
|
|
注:工作机工作情况举例如下。
均匀载荷:发电机、均匀装料的带式或板式输送机,螺旋输送机,轻型卷扬机,包装机械,机床进给装置,通风机,轻型离心机,离心泵,稀液料和密度均匀物料搅拌机和混合机,按最大剪切力矩设计的冲压机。
轻度冲击:不均匀装料的带式或板式输送机,机床主传动装置,重型卷扬机,起重机旋转机构,工矿通风机,重型离心机,离心泵,粘性液料及密度不均匀物料搅拌机和混合机,多缸柱塞泵,给料泵,挤压机,压延机,回转窑,锌、铝带材、线材、型材轧机。
中等冲击:橡胶挤压机,经常起动的塑料混合机,轻型球磨机,木材加工机械,钢坯初轧机,单缸活塞泵。
强烈冲击:铲斗链传动,筛传动装置,单斗挖土机,重型球磨机,橡胶混炼机,冶金机械,重型给料泵,旋转式钻探设备,压砖机,除鳞机,冷轧机,压块机。
(2)启动频率系数见表2。
表2 启动频率系数K1
|
每小时启动次数
|
≤10
|
>10~60
|
>60~400
|
|
启动频率系数K1
|
1
|
1.1
|
1.2
|
(3)小时负荷率系数K2见表3。
表3 小时负荷率系数K2
|
小时负荷率Jc/%
|
100
|
80
|
60
|
40
|
20
|
|
小时负荷率系数K2
|
1
|
0.95
|
0.88
|
0.77
|
0.6
|
注:1.Jc=1h内负荷作用时间(min)/60×100%。
2.Jc<20%时按Jc=20%计。
(4)冷却方式系数K4见表4。
表4 冷却方式系数K4
|
冷却方式
|
减速器中心距a/mm
|
蜗杆转速n1/r·min-1
|
|||
|
1500
|
1000
|
750
|
500
|
||
|
冷却方式系数K4
|
|||||
|
自然冷却
(无风扇)
|
80
|
1
|
1
|
1
|
1
|
|
100~225
|
1.37
|
1.59
|
1.59
|
1.33
|
|
|
250~710
|
1.51
|
1.85
|
1.89
|
1.78
|
|
|
风扇冷却
|
80~710
|
1
|
|||
2.选用条件
选用减速器应知:原动机、工作机类型及载荷性质,每日平均运转时间,启动频率和环境温度。
PW型平面二次包络环面蜗杆减速机的润滑(GB/T16449-1996)
润滑
(1)减速器一般采用油池润滑,当蜗杆计算圆滑动速度vs>10m/s时,采用强制润滑。
(2)减速器用润滑油粘度指数(Ⅵ)应大于100。
(3)减速器采用合成蜗轮蜗杆油。
(4)减速器润滑油油品按下表规定。允许采用润滑性能相当或更高的油品。
润滑油油品
|
输入转速/r·min-1
|
中心距/mm
|
|
80 100 125 160 200 250 315 400 500 630
140 180 225 280 355 450 560 710
|
|
|
1500
1000
750
500
|
320蜗轮蜗杆油①
460蜗轮蜗杆油
680蜗轮蜗杆油
|


