全国免费热线
0510-8321 7886
0510-8321 7886
电话:0510-83217886 0510-83217186 0510-68771119 0510-68771110 传真:0510-83206086 地 址:无锡市滨湖区梅园
主要用途
ZD80、ZD90、ZD100均为外啮合渐开线人字齿圆柱齿轮减速器,主要用于冶金、矿山、水泥建材机械等行业。

ZD80、ZD90、ZD100系列人字齿圆柱齿轮减速器主要技术规格
表一

主要零部件
1、高速轴材料采用42CrMo。
2、大齿轮由齿圈和轮芯组合而成,齿圈材料采用35SiMn,轮芯材料采用HT200°。
3、机盖、油池由A3钢板焊接而成。
4、机座采用HT200。
适用条件
1、减速器输入转速不高于750r/min。
2、减速器工作环境温度-40℃~+40℃。
3、减速器可用于正、反运转。
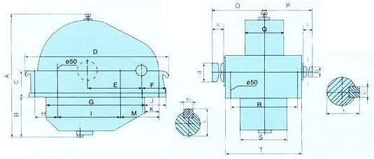
ZD80、ZD90、ZD100系列人字齿圆柱齿轮减速器吊运与安装
吊运与安装
1、起吊整机时,应用机体上的吊钩起吊,严禁用机盖上的吊钩起吊。
2、安装前应先浇好牢固的地脚,并保证整机处于水平状态。
3、外形尺寸如图及表二

表二

润滑
润滑方式采用油池飞溅润滑,润滑油采用120#~320#工业齿轮油,若需要采用特殊冷却装置时,则视油泵性能可采用10#或14#机油。
冷却
冷却方式有:油冷或油冷加循环水冷却,以及强冷。
装配形式及代号

ZD80、ZD90、ZD100系列人字齿圆柱齿轮减速器传动比
表四
|
代号
|
传动比
|
|||
|
公称
|
实际
|
|||
|
ZD80
|
ZD90
|
ZD100
|
||
|
1
|
4.5
|
4.515
|
4.515
|
4.516
|
|
2
|
5.0
|
4.891
|
4.891
|
4.897
|
|
3
|
5.6
|
5.577
|
5.577
|
5.577
|
|
4
|
6.3
|
6.435
|
6.435
|
6.435
|
|
5
|
7.1
|
7.143
|
7.143
|
7.143
|
|
6
|
6.3
|
6.297
|
6.300
|
6.308
|
留言咨询









