0510-8321 7886
电话:0510-83217886 0510-83217186 0510-68771119 0510-68771110 传真:0510-83206086 地 址:无锡市滨湖区梅园

tandard Type
|
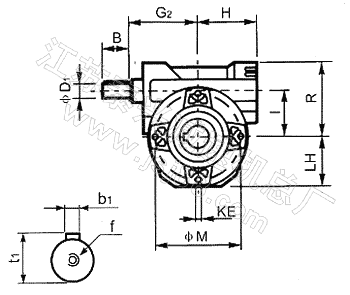
Size |
B |
G |
G1 |
G2 |
H |
I |
LH |
M |
N |
N1 |
N2 |
KE |
R |
|
30 |
20 |
62.5 |
55 |
58 |
46 |
30 |
39 |
65 |
30 |
30 |
2 |
4-M6×9 |
51 |
|
45 |
30 |
74 |
65 |
68 |
55 |
45 |
49 |
65 |
35 |
35 |
2 |
4-M6×14 |
72 |
|
50 |
30 |
81.5 |
81 |
74.5 |
65 |
50 |
54.5 |
94 |
38 |
38 |
3 |
4-M6×9 |
81 |
|
63 |
45 |
99.5 |
120 |
93 |
79 |
63 |
70 |
90 |
45 |
45 |
5 |
8-M8×17 |
100 |
|
63A |
45 |
99.5 |
120 |
93 |
79 |
63 |
70 |
90 |
45 |
45 |
5 |
8-M8×17 |
100 |
|
85 |
50 |
124 |
135 |
112 |
98 |
85 |
94.5 |
130 |
64 |
64 |
3.5 |
4-M10×18 |
138 |
|
110 |
56 |
148 |
155 |
138 |
125 |
110 |
120 |
165 |
74 |
74 |
3.5 |
8-M12×30 |
170 |
|
Size |
Output Flange |
Input Shaft |
Output Hole |
Weight Kg |
||||||||||||||||
|
KA |
KB |
KC |
KM |
KN |
KO |
KP |
D1 |
b1 |
t1 |
f |
D |
b |
t |
|||||||
|
FC |
FL |
FC |
FL |
FC |
FL |
FC |
FL |
FC |
FL |
|||||||||||
|
30 |
50.5 |
55.5 |
6 |
6 |
68 |
87 |
50 |
60 |
7 |
8.5 |
80 |
110 |
9 |
3 |
10.2 |
14 |
5 |
16.3 |
1 |
|
|
45 |
60.5 |
90.5 |
9 |
9 |
87 |
60 |
8.5 |
110 |
11 |
4 |
12.5 |
18 |
6 |
20.8 |
2.4 |
|||||
|
50 |
85 |
114.5 |
12 |
9 |
90 |
70 |
10.5 |
123 |
16 |
5 |
18 |
M6 |
25 |
8 |
28.3 |
3 |
||||
|
63 |
86 |
116 |
13 |
7 |
150 |
115 |
10.5 |
175 |
18 |
6 |
20.5 |
M6 |
25 |
8 |
28.3 |
6 |
||||
|
63A |
85 |
111 |
13 |
7 |
165 |
130 |
13 |
200 |
18 |
6 |
20.5 |
M6 |
28 |
8 |
31.3 |
6 |
||||
|
85 |
108 |
148.5 |
16 |
5 |
176 |
152 |
13 |
205 |
25 |
8 |
28 |
M8 |
35 |
10 |
38.3 |
11 |
||||
|
110 |
131.5 |
179.5 |
16.5 |
11 |
230 |
170 |
13 |
270 |
25 |
8 |
28 |
M8 |
42 |
12 |
45.3 |
35 |
||||
Special Type
|
Size |
Output Flange |
|||||||||||||||||||
|
KA |
KB |
KC |
KG |
KM |
||||||||||||||||
|
F1 |
F2 |
F3 |
F4 |
F1 |
F2 |
F3 |
F4 |
F1 |
F2 |
F3 |
F4 |
F1 |
F2 |
F3 |
F4 |
F1 |
F2 |
F3 |
F4 |
|
|
30 |
49 |
5.5 |
3.5 |
21.5 |
56 |
|||||||||||||||
|
45 |
73.5 |
60.5 |
51.5 |
11 |
9 |
8 |
4 |
9 |
3 |
41 |
19 |
19 |
115 |
87 |
100 |
|||||
|
50 |
83.5 |
76.5 |
66.5 |
11 |
12 |
10 |
4 |
9 |
4 |
43 |
36 |
26 |
130 |
90 |
115 |
|||||
|
63 |
102 |
116 |
82 |
13 |
13 |
11 |
7 |
7 |
5 |
42 |
56 |
22 |
165 |
150 |
130 |
|||||
|
63A |
111 |
116 |
84.5 |
13 |
13 |
13.5 |
7 |
7 |
5 |
51 |
56 |
24.5 |
165 |
150 |
130 |
|||||
|
85 |
117.5 |
147.5 |
107 |
13 |
15 |
13 |
5 |
9 |
5 |
50 |
80 |
39 |
165 |
180 |
165 |
|||||
|
110 |
150 |
178 |
130 |
18 |
15 |
18 |
5 |
9.5 |
5 |
72.5 |
100.5 |
52.5 |
215 |
230 |
215 |
|||||
|
Size |
Output Flange |
Input Shaft |
Output Hole |
||||||||||||||||
|
KN |
KO |
KP |
D1 |
b1 |
t1 |
f |
D |
b |
t |
||||||||||
|
F1 |
F2 |
F3 |
F4 |
F1 |
F2 |
F3 |
F4 |
F1 |
F2 |
F3 |
F4 |
||||||||
|
30 |
40 |
|
|
|
6.5 |
|
|
|
80 |
|
|
9 |
3 |
10.2 |
14 |
5 |
16.3 |
||
|
45 |
95 |
60 |
80 |
|
9 |
8.5 |
9 |
|
140 |
110 |
120 |
11 |
4 |
12.5 |
19 |
6 |
21.8 |
||
|
50 |
110 |
70 |
95 |
|
10 |
10.5 |
10 |
|
160 |
123 |
140 |
14 |
5 |
16 |
M5 |
24 |
8 |
27.3 |
|
|
63 |
130 |
115 |
110 |
|
13 |
11 |
10 |
|
200 |
175 |
160 |
19 |
6 |
21.5 |
M8 |
25 |
8 |
28.3 |
|
|
63A |
130 |
115 |
110 |
|
13 |
11 |
11 |
|
200 |
175 |
160 |
19 |
6 |
21.5 |
M8 |
28 |
8 |
31.3 |
|
|
85 |
130 |
152 |
|
130 |
11.5 |
12.5 |
|
13 |
200 |
205 |
|
200 |
24 |
8 |
27 |
M8 |
35 |
10 |
38.3 |
|
110 |
180 |
170 |
180 |
|
15 |
13 |
15 |
|
250 |
270 |
250 |
|
28 |
8 |
31 |
M8 |
42 |
12 |
45.3 |


















