全国免费热线
0510-8321 7886
0510-8321 7886
电话:0510-83217886 0510-83217186 0510-68771119 0510-68771110 传真:0510-83206086 地 址:无锡市滨湖区梅园
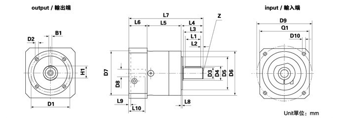
特点:圆柱形外壳,体积小,结构紧凑,输出端面连接,安装简便。
应用领域:主要使用在包装机械、切割设备、纺织印染设备等行业。
技术参数:
外形尺寸:40mm---160mm
减速比: 3---512
传递力矩:5Nm---895Nm
精密侧隙:≤5arcmin
安装方式:任意





















留言咨询















