全国免费热线
0510-8321 7886
0510-8321 7886
电话:0510-83217886 0510-83217186 0510-68771119 0510-68771110 传真:0510-83206086 地 址:无锡市滨湖区梅园
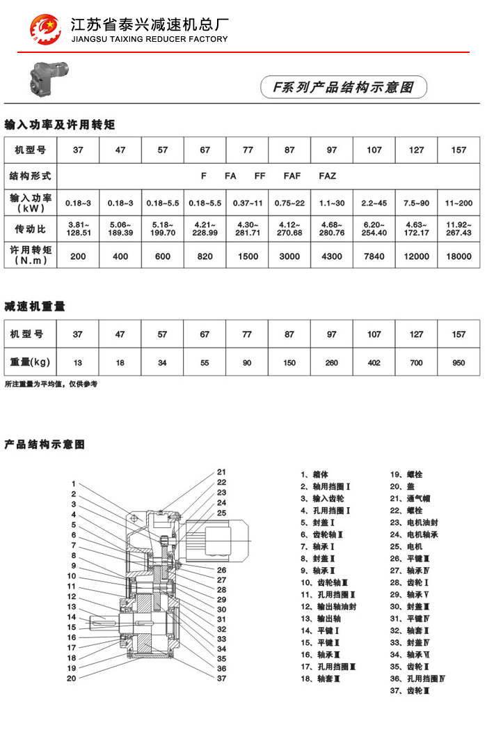
F系列平行轴斜齿轮减速机性能特点:
F系列平行轴斜齿轮减速机具有体积小、重量轻、传递扭矩大、起动平稳、低损耗、安装方式多样,输入输出灵活等特点。非常适合在空间受限制的情况下使用。并能与各种减、变速机组合,适用于各种不同条件要求的场所。
技术参数: 安装形式:
电机功率:0.18~200Kw 底脚安装
输出转速:0.1~752r/min 法兰安装
输出转矩:高至17000Nm 轴装安装






















留言咨询






