全国免费热线
0510-8321 7886
0510-8321 7886
电话:0510-83217886 0510-83217186 0510-68771119 0510-68771110 传真:0510-83206086 地 址:无锡市滨湖区梅园
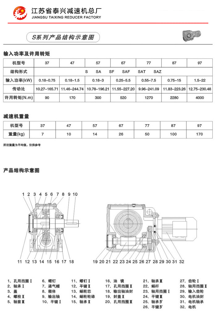
S系列斜齿蜗轮蜗杆减速机性能特点:
S系列蜗轮蜗杆减速机除具有常规特性外,该机还采用了斜齿-蜗轮形式,使结构更加合理化,它不仅改变了比单级蜗轮蜗杆传动具有更高的传动效率和承载能力,而且在结构布局上缩小了空间占地面积,同时在相近体积条件下,能获得更大传动比,更有利于设备的配置,该机能与各种减、变速机组合,满足不同的使用要求。
技术参数: 安装方式:
功率:0.12KW~22KW 底脚安装
转 矩:10N·m~4890N·m 法兰安装
输出转速:0.12~397r/min 轴装安装















留言咨询






