0510-8321 7886
电话:0510-83217886 0510-83217186 0510-68771119 0510-68771110 传真:0510-83206086 地 址:无锡市滨湖区梅园
YZWI YZWII型外装电动滚筒型号说明
一、产品用途及特点
1.用途:
YZW型外装式电动滚筒是为各种带式输送机、斗式提升机、卷扬机等配套的新型驱动装置。
2. 主要特点:
a. 该产品的减速机构采用摆线针轮传动,使电机外露与滚筒直联,可取代电动机一减速机一传动滚筒组成的老式驱动装置。
b. 克服了渐开线齿轮电动滚筒易损坏的缺点,具有过载能力强,运转平稳,效率高等优点。
c. 电机外联改变了散热条件,且安装维修方便,避免了电动机遭油浸蚀,延长了使用寿命。
d. 设有先进的逆止装置,可防止上运物料停机时皮带下滑。
e. 滚筒表面覆盖人字形、菱形等多种花纹胶层,以提高牵引胶带的能力。
f. 也可配用防爆电机,应用于有防爆要求的场合。
二、标记示例:

1、滚筒旋转方向必须面对电机尾部观察,顺时针旋转标注“S”,逆时针旋转标注“N”,不需逆止时,则不标注滚筒旋转方向代号。
2、滚筒必须在输出扭矩范围内使用,其输出扭矩按下式计算:

式中:M——扭矩(Nm)D——滚筒直径(m)P——功率(kW)V——带速(m/ s)
YZW315(320)、YZW400、YZW500、YZW630、YZW800、YZW1000、型外装电动滚筒基本参数
|
直径
(mm)
|
功率
(Kw)
|
带宽(mm)
|
表 面 线 速 度 (m/s)
|
质量(Kg)
|
||||||||||
|
315(320)
|
|
|
0.25
|
0.32
|
0.4
|
0.55
|
0.63
|
0.8
|
1.0
|
1.25
|
1.6
|
2
|
2.5
|
|
|
1.5
|
500
|
·
|
·
|
·
|
·
|
·
|
·
|
·
|
|
|
|
|
198
|
|
|
650
|
·
|
·
|
·
|
·
|
·
|
·
|
·
|
|
|
|
|
210
|
||
|
2.2
|
500
|
·
|
·
|
·
|
·
|
·
|
·
|
·
|
·
|
·
|
|
|
200
|
|
|
650
|
·
|
·
|
·
|
·
|
·
|
·
|
·
|
·
|
·
|
|
|
210
|
||
|
3
|
500
|
|
|
|
·
|
·
|
·
|
·
|
·
|
·
|
|
|
230
|
|
|
650
|
|
|
|
·
|
·
|
·
|
·
|
·
|
·
|
|
|
240
|
||
|
800
|
|
|
|
·
|
·
|
·
|
·
|
·
|
·
|
|
|
245
|
||
|
4
|
500
|
|
|
|
·
|
·
|
·
|
·
|
·
|
·
|
|
|
240
|
|
|
650
|
|
|
|
·
|
·
|
·
|
·
|
·
|
·
|
|
|
245
|
||
|
800
|
|
|
|
·
|
·
|
·
|
·
|
·
|
·
|
|
|
258
|
||
|
400
|
1.5
|
500
|
|
·
|
·
|
·
|
·
|
|
|
|
|
|
|
225
|
|
650
|
|
·
|
·
|
·
|
·
|
|
|
|
|
|
|
235
|
||
|
800
|
|
·
|
·
|
·
|
·
|
|
|
|
|
|
|
250
|
||
|
2.2
|
500
|
|
·
|
·
|
·
|
·
|
·
|
·
|
·
|
·
|
·
|
|
230
|
|
|
650
|
|
·
|
·
|
·
|
·
|
·
|
·
|
·
|
·
|
·
|
|
240
|
||
|
800
|
|
·
|
·
|
·
|
·
|
·
|
·
|
·
|
·
|
·
|
|
255
|
||
|
3
|
500
|
|
·
|
·
|
·
|
·
|
·
|
·
|
·
|
·
|
·
|
|
260
|
|
|
650
|
|
·
|
·
|
·
|
·
|
·
|
·
|
·
|
·
|
·
|
|
280
|
||
|
800
|
|
·
|
·
|
·
|
·
|
·
|
·
|
·
|
·
|
·
|
|
290
|
||
|
4
|
800
|
|
·
|
·
|
·
|
·
|
·
|
·
|
·
|
·
|
·
|
|
270
|
|
|
650
|
|
·
|
·
|
·
|
·
|
·
|
·
|
·
|
·
|
·
|
|
280
|
||
|
800
|
|
·
|
·
|
·
|
·
|
|
·
|
·
|
·
|
·
|
|
295
|
||
|
5.5
|
500
|
|
|
|
|
|
|
·
|
·
|
·
|
·
|
|
305
|
|
|
650
|
|
|
|
|
|
|
·
|
·
|
·
|
·
|
|
320
|
||
|
800
|
|
|
|
|
|
|
·
|
·
|
·
|
·
|
|
340
|
||
|
直径(mm)
|
功率(Kw)
|
带宽(mm)
|
表 面 线 速 度 (m/s)
|
质量(Kg)
|
|||||||||
|
500
|
|
|
0.40
|
0.55
|
0.63
|
0.8
|
1.0
|
1.25
|
1.6
|
2.0
|
2.5
|
3.15
|
|
|
1.5
|
500
|
·
|
·
|
·
|
·
|
·
|
|
|
|
|
|
290
|
|
|
650
|
·
|
·
|
·
|
·
|
·
|
|
|
|
|
|
305
|
||
|
800
|
·
|
·
|
·
|
·
|
·
|
|
|
|
|
|
320
|
||
|
2.2
|
500
|
|
|
·
|
·
|
·
|
·
|
·
|
·
|
|
|
295
|
|
|
650
|
|
|
·
|
·
|
·
|
·
|
·
|
·
|
|
|
310
|
||
|
800
|
|
|
·
|
·
|
·
|
·
|
·
|
·
|
|
|
325
|
||
|
3
|
500
|
·
|
·
|
·
|
·
|
·
|
·
|
·
|
·
|
|
|
340
|
|
|
650
|
·
|
·
|
·
|
·
|
·
|
·
|
·
|
·
|
|
|
360
|
||
|
800
|
·
|
·
|
·
|
·
|
·
|
·
|
·
|
·
|
|
|
375
|
||
|
4
|
500
|
·
|
·
|
·
|
·
|
·
|
·
|
·
|
·
|
|
|
350
|
|
|
650
|
·
|
·
|
·
|
·
|
·
|
·
|
·
|
·
|
|
|
365
|
||
|
800
|
·
|
·
|
·
|
·
|
·
|
·
|
·
|
·
|
|
|
380
|
||
|
5.5
|
500
|
·
|
·
|
·
|
·
|
·
|
·
|
·
|
·
|
|
|
420
|
|
|
650
|
·
|
·
|
·
|
·
|
·
|
·
|
·
|
·
|
|
|
430
|
||
|
800
|
·
|
·
|
·
|
·
|
·
|
·
|
·
|
·
|
|
|
450
|
||
|
7.5
|
500
|
·
|
·
|
·
|
·
|
·
|
|
|
|
|
|
440
|
|
|
650
|
·
|
·
|
·
|
·
|
·
|
|
|
|
|
|
455
|
||
|
800
|
·
|
·
|
·
|
·
|
·
|
|
|
|
|
|
470
|
||
|
11
|
500
|
|
·
|
·
|
·
|
·
|
·
|
·
|
·
|
·
|
·
|
510
|
|
|
650
|
|
·
|
·
|
·
|
·
|
·
|
·
|
·
|
·
|
·
|
535
|
||
|
800
|
|
·
|
·
|
·
|
·
|
·
|
·
|
·
|
·
|
·
|
560
|
||
|
15
|
500
|
|
·
|
·
|
·
|
·
|
·
|
·
|
·
|
·
|
·
|
540
|
|
|
650
|
|
·
|
·
|
·
|
·
|
·
|
·
|
·
|
·
|
·
|
565
|
||
|
800
|
|
|
·
|
·
|
·
|
·
|
·
|
·
|
·
|
·
|
590
|
||
|
18.5
|
500
|
|
|
|
|
|
|
·
|
·
|
·
|
·
|
570
|
|
|
650
|
|
|
|
|
|
|
·
|
·
|
·
|
·
|
600
|
||
|
800
|
|
|
|
|
|
|
·
|
·
|
·
|
·
|
635
|
||
|
22
|
500
|
|
|
|
|
|
|
·
|
·
|
·
|
·
|
605
|
|
|
650
|
|
|
|
|
|
|
·
|
·
|
·
|
·
|
640
|
||
|
800
|
|
|
|
|
|
|
·
|
·
|
·
|
·
|
675
|
||
|
直径(mm)
|
功率(Kw)
|
带宽(mm)
|
表 面 线 速 度 (m/s)
|
质量(Kg)
|
||||||||
|
630
|
|
|
0.55
|
0.63
|
0.8
|
1.0
|
1.25
|
1.6
|
2.0
|
2.5
|
3.15
|
|
|
7.5
|
650
|
·
|
·
|
·
|
·
|
·
|
|
|
|
|
615
|
|
|
800
|
·
|
·
|
·
|
·
|
·
|
|
|
|
|
640
|
||
|
1000
|
·
|
·
|
·
|
·
|
·
|
|
|
|
|
680
|
||
|
1200
|
·
|
·
|
·
|
·
|
·
|
|
|
|
|
720
|
||
|
11
|
650
|
|
·
|
·
|
·
|
·
|
·
|
·
|
·
|
·
|
700
|
|
|
800
|
|
·
|
·
|
·
|
·
|
·
|
·
|
·
|
·
|
725
|
||
|
1000
|
|
·
|
·
|
·
|
·
|
·
|
·
|
·
|
·
|
770
|
||
|
1200
|
|
·
|
·
|
·
|
·
|
·
|
·
|
·
|
·
|
820
|
||
|
15
|
800
|
|
·
|
·
|
·
|
·
|
·
|
·
|
·
|
·
|
750
|
|
|
1000
|
|
·
|
·
|
·
|
·
|
·
|
·
|
·
|
·
|
790
|
||
|
1200
|
|
·
|
·
|
·
|
·
|
·
|
·
|
·
|
·
|
840
|
||
|
18.5
|
800
|
|
·
|
·
|
·
|
·
|
·
|
·
|
·
|
·
|
800
|
|
|
1000
|
|
·
|
·
|
·
|
·
|
·
|
·
|
·
|
·
|
845
|
||
|
1200
|
|
·
|
·
|
·
|
·
|
·
|
·
|
·
|
·
|
890
|
||
|
1400
|
|
·
|
·
|
·
|
·
|
·
|
·
|
·
|
·
|
950
|
||
|
22
|
800
|
|
, , , ,
·
|
·
|
·
|
·
|
·
|
·
|
·
|
·
|
890
|
|
|
1000
|
|
·
|
·
|
·
|
·
|
·
|
·
|
·
|
·
|
940
|
||
|
1200
|
|
·
|
·
|
·
|
·
|
·
|
·
|
·
|
·
|
995
|
||
|
1400
|
|
·
|
·
|
·
|
·
|
·
|
·
|
·
|
·
|
1050
|
||
|
30
|
800
|
|
|
|
·
|
·
|
·
|
·
|
·
|
·
|
1040
|
|
|
1000
|
|
|
|
·
|
·
|
·
|
·
|
·
|
·
|
1090
|
||
|
1200
|
|
|
|
·
|
·
|
·
|
·
|
·
|
·
|
1150
|
||
|
1400
|
|
|
|
·
|
·
|
·
|
·
|
·
|
·
|
1210
|
||
|
37
|
800
|
|
|
|
|
|
·
|
·
|
·
|
·
|
1100
|
|
|
1000
|
|
|
|
|
|
·
|
·
|
·
|
·
|
1160
|
||
|
1200
|
|
|
|
|
|
·
|
·
|
·
|
·
|
1220
|
||
|
1400
|
|
|
|
|
|
·
|
·
|
·
|
·
|
1280
|
||
|
45
|
800
|
|
|
|
|
|
·
|
·
|
·
|
·
|
1200
|
|
|
1000
|
|
|
|
|
|
·
|
·
|
·
|
·
|
1280
|
||
|
1200
|
|
|
|
|
|
·
|
·
|
·
|
·
|
1360
|
||
|
1400
|
|
|
|
|
|
·
|
·
|
·
|
·
|
1430
|
||
|
直径(mm)
|
功率(Kw)
|
带宽(mm)
|
表 面 线 速 度 (m/s)
|
质量(Kg)
|
||||||||
|
800
|
|
|
0.63
|
0.8
|
1.0
|
1.25
|
1.6
|
2.0
|
2.5
|
3.15
|
4.0
|
|
|
7.5
|
1000
|
·
|
·
|
·
|
·
|
|
|
|
|
|
840
|
|
|
1200
|
·
|
·
|
·
|
·
|
|
|
|
|
|
880
|
||
|
1400
|
·
|
·
|
·
|
·
|
|
|
|
|
|
930
|
||
|
11
|
1000
|
|
·
|
·
|
·
|
·
|
·
|
·
|
·
|
|
930
|
|
|
1200
|
|
·
|
·
|
·
|
·
|
·
|
·
|
·
|
|
970
|
||
|
1400
|
|
·
|
·
|
·
|
·
|
·
|
·
|
·
|
|
1030
|
||
|
15
|
1000
|
|
·
|
·
|
·
|
·
|
·
|
·
|
·
|
|
1010
|
|
|
1200
|
|
·
|
·
|
·
|
·
|
·
|
·
|
·
|
|
1060
|
||
|
1400
|
|
·
|
·
|
·
|
·
|
·
|
·
|
·
|
|
1115
|
||
|
18.5
|
1000
|
|
·
|
·
|
·
|
·
|
·
|
·
|
·
|
|
1060
|
|
|
1200
|
|
·
|
·
|
·
|
·
|
·
|
·
|
·
|
|
1120
|
||
|
1400
|
|
·
|
·
|
·
|
·
|
·
|
·
|
·
|
|
1175
|
||
|
22
|
1000
|
|
·
|
·
|
·
|
·
|
·
|
·
|
·
|
|
1160
|
|
|
1200
|
|
·
|
·
|
·
|
·
|
·
|
·
|
·
|
|
1220
|
||
|
1400
|
|
·
|
·
|
·
|
·
|
·
|
·
|
·
|
|
1280
|
||
|
30
|
1000
|
|
|
·
|
·
|
·
|
·
|
·
|
·
|
|
1320
|
|
|
1200
|
|
|
·
|
·
|
·
|
·
|
·
|
·
|
|
1380
|
||
|
1400
|
|
|
·
|
·
|
·
|
·
|
·
|
·
|
|
1430
|
||
|
37
|
1000
|
|
|
|
|
|
·
|
·
|
·
|
|
1430
|
|
|
1200
|
|
|
|
|
|
·
|
·
|
·
|
|
1490
|
||
|
1400
|
|
|
|
|
|
·
|
·
|
·
|
|
1550
|
||
|
45
|
1000
|
|
|
|
|
|
·
|
·
|
·
|
|
1970
|
|
|
1200
|
|
|
|
|
|
·
|
·
|
·
|
|
2030
|
||
|
1400
|
|
|
|
|
|
·
|
·
|
·
|
|
2100
|
||
|
1000
|
15
|
1000
|
|
|
·
|
·
|
·
|
·
|
·
|
·
|
|
1225
|
|
1200
|
|
|
·
|
·
|
·
|
·
|
·
|
·
|
|
1290
|
||
|
1400
|
|
|
·
|
·
|
·
|
·
|
·
|
·
|
|
1355
|
||
|
18.5
|
1000
|
|
|
·
|
·
|
·
|
·
|
·
|
·
|
|
1285
|
|
|
1200
|
|
|
·
|
·
|
·
|
·
|
·
|
·
|
|
1350
|
||
|
1400
|
|
|
·
|
·
|
·
|
·
|
·
|
·
|
|
1410
|
||
|
直径
(mm)
|
功率
(Kw)
|
带宽
(mm)
|
表 面 线 速 度 (m/s)
|
质量(Kg)
|
||||||||
|
1000
|
|
|
0.63
|
0.8
|
1.0
|
1.25
|
1.6
|
2.0
|
2.5
|
3.15
|
4.0
|
|
|
22
|
1000
|
|
|
·
|
·
|
·
|
·
|
·
|
·
|
|
1390
|
|
|
1200
|
|
|
·
|
·
|
·
|
·
|
·
|
·
|
|
1470
|
||
|
1400
|
|
|
·
|
·
|
·
|
·
|
·
|
·
|
|
1535
|
||
|
30
|
1000
|
|
|
|
·
|
·
|
·
|
·
|
·
|
|
1560
|
|
|
1200
|
|
|
|
·
|
·
|
·
|
·
|
·
|
|
1630
|
||
|
1400
|
|
|
|
·
|
·
|
·
|
·
|
·
|
|
1700
|
||
|
37
|
1000
|
|
|
|
|
|
|
·
|
·
|
·
|
1670
|
|
|
1200
|
|
|
|
|
|
|
·
|
·
|
·
|
1745
|
||
|
1400
|
|
|
|
|
|
|
·
|
·
|
·
|
1820
|
||
|
45
|
1200
|
|
|
|
|
|
|
·
|
·
|
·
|
2410
|
|
|
1400
|
|
|
|
|
|
|
·
|
·
|
·
|
2490
|
||
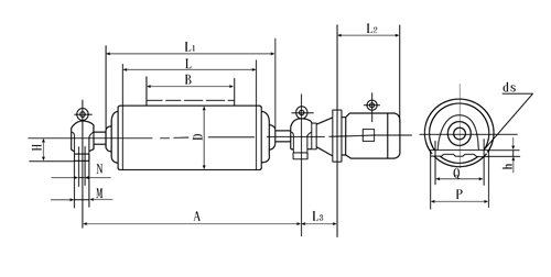
YZW315(320)、YZW400、YZW500、YZW630、YZW800、YZW1000、型外装式电动滚筒外形及安装尺寸

|
D
|
BB
|
A
|
L
|
L1
|
L2
|
H
|
M
|
N
|
P
|
Q
|
dS
|
h
|
L2
|
|
|
315(320)
|
500
|
850
|
600
|
≤732
|
按
电
机
|
120
|
90
|
|
340
|
280
|
27
|
35
|
Y100
Y112
|
131
|
|
650
|
1000
|
750
|
≤882
|
|||||||||||
|
800
|
1300
|
950
|
≤1032
|
Y132
|
151
|
|||||||||
|
400
|
500
|
850
|
600
|
≤744
|
120
|
90
|
|
340
|
280
|
27
|
35
|
Y100
Y112
|
131
|
|
|
650
|
1000
|
750
|
≤894
|
|||||||||||
|
800
|
1300
|
955
|
≤1044
|
Y132
|
151
|
|||||||||
|
500
|
500
|
850
|
600
|
≤748
|
100
|
70
|
|
340
|
280
|
27
|
35
|
Y100
Y112
|
131
|
|
|
620
|
Y132
|
147
|
||||||||||||
|
650
|
1000
|
750
|
≤900
|
120
|
90
|
Y160M
|
187
|
|||||||
|
800
|
1300
|
950
|
≤1100
|
120
|
90
|
Y160L
Y180
|
210
|
|||||||
|
630
|
650
|
1000
|
750
|
≤868
|
120
|
90
|
|
340
|
280
|
27
|
35
|
Y160M
|
194
|
|
|
800
|
1300
|
950
|
≤1068
|
140
|
130
|
80
|
400
|
330
|
27
|
35
|
Y160L
Y180
|
205
|
||
|
1000
|
1500
|
1150
|
≤1268
|
140
|
130
|
80
|
400
|
330
|
27
|
35
|
||||
|
Y200
|
203
|
|||||||||||||
|
1200
|
1750
|
1400
|
≤1514
|
160
|
160
|
90
|
440
|
360
|
34
|
50
|
||||
|
Y225
|
238
|
|||||||||||||
|
1400
|
2000
|
1600
|
≤1720
|
160
|
160
|
90
|
440
|
360
|
34
|
50
|
||||
|
800
|
1000
|
1500
|
1150
|
≤1268
|
140
|
145
|
80
|
400
|
330
|
27
|
35
|
Y160
Y180
|
200
|
|
|
1200
|
1750
|
1400
|
≤1514
|
160
|
160
|
90
|
440
|
360
|
34
|
50
|
Y200
|
210
|
||
|
1400
|
2000
|
1600
|
≤1720
|
160
|
160
|
90
|
440
|
360
|
34
|
50
|
Y225
|
240
|
||
|
1000
|
1000
|
1500
|
1150
|
≤1268
|
140
|
145
|
80
|
400
|
330
|
27
|
35
|
Y160
Y180
|
200
|
|
|
1200
|
1750
|
1400
|
≤1514
|
160
|
160
|
90
|
440
|
360
|
34
|
50
|
Y200
|
210
|
||
|
1400
|
2000
|
1600
|
≤1720
|
160
|
160
|
90
|
440
|
360
|
34
|
50
|
Y225
|
240
|
||









