0510-8321 7886
电话:0510-83217886 0510-83217186 0510-68771119 0510-68771110 传真:0510-83206086 地 址:无锡市滨湖区梅园
YZ型油冷、油浸式摆线针轮电动滚筒的适用范围及特点
1、YZ型系列油冷(油浸)式摆线电动滚筒是为带式输送机配套理想的驱动装置,它广泛应用于矿山、冶金、化工、水泥、码头、电厂、粮食、轻工、食品等行业的传送机械设备上。
2、本产品采用了电机直联的针齿壳输出的一级硬齿面摆线针轮减速机构,不仅结构简单、体积小、传动比大,而且由于摆线轮、针齿等采用轴承钢制造,经热处理硬度达HRC58~62,加之在传动中为滚动摩擦和多齿啮合,使之减速机构与渐开线齿轮传动相比,具有承载能力大、过载能力强,传动平稳、噪音低、寿命长等优点。
3、采用油浸式电机,可改变其冷却条件,降低了定子绕组温升,延长了电机的使用寿命,解决了因渗油而烧坏电机的弊端。
型油冷、油浸式摆线针轮电动滚筒的型号标记
标记示例及选用说明:

1、逆止型滚筒旋转方向必须面对电机接线盒端观察,顺时针旋转标注“S”,逆时针旋转标注“N”,不需逆止时,则不标注滚筒旋转方向代号。
2、滚筒必须在输出扭矩范围内使用,其输出扭矩按下式计算:
M=500×
式中:M——扭矩(Nm)D——滚筒直径(m)P——功率(KW)V——带速(m/S)
YZ型油冷、油浸式摆线针轮电动滚筒的基本参数(直径315-630mm)
|
直径(mm)
|
功率(kw)
|
带宽(mm)
|
表面线速度(m/s)
|
质量(kg)
max
|
||||||||||
|
315
(320)
|
|
|
0.25
|
0.32
|
0.4
|
0.55
|
0.63
|
0.8
|
1.0
|
1.25
|
1.6
|
2
|
2.5
|
|
|
1.5
|
500
|
·
|
·
|
·
|
·
|
·
|
·
|
·
|
·
|
|
|
|
184
|
|
|
650
|
·
|
·
|
·
|
·
|
·
|
·
|
·
|
·
|
|
|
|
195
|
||
|
2.2
|
500
|
·
|
·
|
·
|
·
|
·
|
·
|
·
|
·
|
·
|
|
|
186
|
|
|
650
|
·
|
·
|
·
|
·
|
·
|
·
|
·
|
·
|
·
|
|
|
196
|
||
|
3
|
500
|
|
|
|
·
|
·
|
·
|
·
|
·
|
·
|
|
|
215
|
|
|
650
|
|
|
|
·
|
·
|
·
|
·
|
·
|
·
|
|
|
222
|
||
|
800
|
|
|
|
·
|
·
|
·
|
·
|
·
|
·
|
|
|
230
|
||
|
4
|
500
|
|
|
|
·
|
·
|
·
|
·
|
·
|
·
|
|
|
222
|
|
|
650
|
|
|
|
·
|
·
|
·
|
·
|
·
|
·
|
|
|
230
|
||
|
800
|
|
|
|
·
|
·
|
·
|
·
|
·
|
·
|
|
|
240
|
||
|
400
|
1.5
|
500
|
|
·
|
·
|
·
|
·
|
·
|
·
|
·
|
·
|
·
|
|
211
|
|
650
|
|
·
|
·
|
·
|
·
|
·
|
·
|
·
|
·
|
·
|
|
220
|
||
|
800
|
|
·
|
·
|
·
|
·
|
·
|
·
|
·
|
·
|
·
|
|
230
|
||
|
2.2
|
500
|
|
·
|
·
|
·
|
·
|
·
|
·
|
·
|
·
|
·
|
|
215
|
|
|
650
|
|
·
|
·
|
·
|
·
|
·
|
·
|
·
|
·
|
·
|
|
225
|
||
|
800
|
|
·
|
·
|
·
|
·
|
·
|
·
|
·
|
·
|
·
|
|
238
|
||
|
3
|
500
|
|
·
|
·
|
·
|
·
|
·
|
·
|
·
|
·
|
·
|
|
246
|
|
|
650
|
|
·
|
·
|
·
|
·
|
·
|
·
|
·
|
·
|
·
|
|
258
|
||
|
800
|
|
·
|
·
|
·
|
·
|
·
|
·
|
·
|
·
|
·
|
|
270
|
||
|
4
|
500
|
|
·
|
·
|
·
|
·
|
·
|
·
|
·
|
·
|
·
|
|
250
|
|
|
650
|
|
·
|
·
|
·
|
·
|
·
|
·
|
·
|
·
|
·
|
|
263
|
||
|
800
|
|
·
|
·
|
·
|
·
|
·
|
·
|
·
|
·
|
·
|
|
275
|
||
|
5.5
|
500
|
|
|
|
|
|
|
·
|
·
|
·
|
·
|
|
285
|
|
|
650
|
|
|
|
|
|
|
·
|
·
|
·
|
·
|
|
300
|
||
|
800
|
|
|
|
|
|
|
·
|
·
|
·
|
·
|
|
315
|
||
|
直径(mm)
|
功率(kw)
|
带宽(mm)
|
表面线速度(m/s)
|
质量(kg)
|
|||||||||
|
500
|
|
|
0.40
|
0.55
|
0.63
|
0.8
|
1.0
|
1.25
|
1.6
|
2.0
|
2.5
|
3.15
|
|
|
1.5
|
500
|
·
|
·
|
·
|
·
|
·
|
|
|
|
|
|
270
|
|
|
650
|
·
|
·
|
·
|
·
|
·
|
|
|
|
|
|
284
|
||
|
800
|
·
|
·
|
·
|
·
|
·
|
|
|
|
|
|
298
|
||
|
2.2
|
500
|
|
|
·
|
·
|
·
|
·
|
·
|
·
|
|
|
275
|
|
|
650
|
|
|
·
|
·
|
·
|
·
|
·
|
·
|
|
|
289
|
||
|
800
|
|
|
·
|
·
|
·
|
·
|
·
|
·
|
|
|
303
|
||
|
3
|
500
|
·
|
·
|
·
|
·
|
·
|
·
|
·
|
·
|
·
|
|
320
|
|
|
650
|
·
|
·
|
·
|
·
|
·
|
·
|
·
|
·
|
·
|
|
335
|
||
|
800
|
·
|
·
|
·
|
·
|
·
|
·
|
·
|
·
|
·
|
|
350
|
||
|
4
|
500
|
·
|
·
|
·
|
·
|
·
|
·
|
·
|
·
|
·
|
|
326
|
|
|
650
|
·
|
·
|
·
|
·
|
·
|
·
|
·
|
·
|
·
|
|
341
|
||
|
800
|
·
|
·
|
·
|
·
|
·
|
·
|
·
|
·
|
·
|
|
356
|
||
|
5.5
|
500
|
·
|
·
|
·
|
·
|
·
|
·
|
·
|
·
|
·
|
|
390
|
|
|
650
|
·
|
·
|
·
|
·
|
·
|
·
|
·
|
·
|
·
|
|
405
|
||
|
800
|
·
|
·
|
·
|
·
|
·
|
·
|
·
|
·
|
·
|
|
420
|
||
|
7.5
|
500
|
·
|
·
|
·
|
·
|
·
|
·
|
·
|
·
|
·
|
|
410
|
|
|
650
|
·
|
·
|
·
|
·
|
·
|
·
|
·
|
·
|
·
|
|
425
|
||
|
800
|
·
|
·
|
·
|
·
|
·
|
·
|
·
|
·
|
·
|
|
440
|
||
|
11
|
650
|
|
·
|
·
|
·
|
·
|
·
|
·
|
·
|
·
|
·
|
500
|
|
|
800
|
|
·
|
·
|
·
|
·
|
·
|
·
|
·
|
·
|
·
|
520
|
||
|
15
|
650
|
|
·
|
·
|
·
|
·
|
·
|
·
|
·
|
·
|
·
|
528
|
|
|
800
|
|
·
|
·
|
·
|
·
|
·
|
·
|
·
|
·
|
·
|
548
|
||
|
630
|
5.5
|
650
|
|
·
|
·
|
·
|
·
|
|
·
|
·
|
·
|
·
|
550
|
|
800
|
|
·
|
·
|
·
|
·
|
|
·
|
·
|
·
|
·
|
575
|
||
|
1000
|
|
·<, /div>
|
·
|
·
|
·
|
|
·
|
·
|
·
|
·
|
605
|
||
|
1200
|
|
·
|
·
|
·
|
·
|
|
·
|
·
|
·
|
·
|
635
|
||
|
7.5
|
650
|
|
·
|
·
|
·
|
·
|
·
|
·
|
·
|
·
|
·
|
575
|
|
|
800
|
|
·
|
·
|
·
|
·
|
·
|
·
|
·
|
·
|
·
|
600
|
||
|
1000
|
|
·
|
·
|
·
|
·
|
·
|
·
|
·
|
·
|
·
|
636
|
||
|
1200
|
|
·
|
·
|
·
|
·
|
·
|
·
|
·
|
·
|
·
|
675
|
||
|
11
|
650
|
|
·
|
·
|
·
|
·
|
·
|
·
|
·
|
·
|
650
|
|
|
|
800
|
|
·
|
·
|
·
|
·
|
·
|
·
|
·
|
·
|
678
|
|
||
|
1000
|
|
·
|
·
|
·
|
·
|
·
|
·
|
·
|
·
|
720
|
|
||
|
1200
|
|
·
|
·
|
·
|
·
|
·
|
·
|
·
|
·
|
765
|
|
||
|
15
|
800
|
|
·
|
·
|
·
|
·
|
·
|
·
|
·
|
·
|
700
|
|
|
|
1000
|
|
·
|
·
|
·
|
·
|
·
|
·
|
·
|
·
|
740
|
|
||
|
1200
|
|
·
|
·
|
·
|
·
|
·
|
·
|
·
|
·
|
785
|
|
||
|
18.5
|
800
|
|
·
|
·
|
·
|
·
|
·
|
·
|
·
|
·
|
745
|
|
|
|
1000
|
|
·
|
·
|
·
|
·
|
·
|
·
|
·
|
·
|
790
|
|
||
|
1200
|
|
·
|
·
|
·
|
·
|
·
|
·
|
·
|
·
|
835
|
|
||
|
1400
|
|
·
|
·
|
·
|
·
|
·
|
·
|
·
|
·
|
885
|
|
||
|
22
|
800
|
|
·
|
·
|
·
|
·
|
·
|
·
|
·
|
·
|
830
|
|
|
|
1000
|
|
·
|
·
|
·
|
·
|
·
|
·
|
·
|
·
|
880
|
|
||
|
1200
|
|
·
|
·
|
·
|
·
|
·
|
·
|
·
|
·
|
930
|
|
||
|
1400
|
|
·
|
·
|
·
|
·
|
·
|
·
|
·
|
·
|
980
|
|
||
|
30
|
800
|
|
|
|
·
|
·
|
·
|
·
|
·
|
·
|
970
|
|
|
|
1000
|
|
|
|
·
<, /TD> |
·
|
·
|
·
|
·
|
·
|
1020
|
|
||
|
1200
|
|
|
|
·
|
·
|
, , , ,
·
|
·
|
·
|
·
|
1075
|
|
||
|
1400
|
|
|
|
·
|
·
|
·
|
·
|
·
|
·
|
1130
|
|
||
YZ型油冷、油浸式摆线针轮电动滚筒的基本参数(直径800-1000mm)
|
直径(mm)
|
功率(kw)
|
带宽(mm)
|
表面线速度(m/s)
|
质量(kg)
max
|
||||||||
|
800
|
|
|
0.55
|
0.63
|
0.8
|
1.0
|
1.25
|
1.6
|
2.0
|
2.5
|
3.15
|
|
|
5.5
|
1000
|
|
·
|
·
|
·
|
·
|
·
|
|
|
|
765
|
|
|
1200
|
|
·
|
·
|
·
|
·
|
·
|
|
|
|
800
|
||
|
1400
|
|
·
|
·
|
·
|
·
|
·
|
|
|
|
840
|
||
|
7.5
|
1000
|
|
·
|
·
|
·
|
·
|
·
|
·
|
·
|
·
|
785
|
|
|
1200
|
|
·
|
·
|
·
|
·
|
·
|
·
|
·
|
·
|
825
|
||
|
1400
|
|
·
|
·
|
·
|
·
|
·
|
·
|
·
|
·
|
865
|
||
|
11
|
1000
|
|
|
·
|
·
|
·
|
·
|
·
|
·
|
·
|
865
|
|
|
1200
|
|
|
·
|
·
|
·
|
·
|
·
|
·
|
·
|
905
|
||
|
1400
|
|
|
·
|
·
|
·
|
·
|
·
|
·
|
·
|
960
|
||
|
15
|
1000
|
|
|
·
|
·
|
·
|
·
|
·
|
·
|
·
|
942
|
|
|
1200
|
|
|
·
|
·
|
·
|
·
|
·
|
·
|
·
|
992
|
||
|
1400
|
|
|
·
|
·
|
·
|
·
|
·
|
·
|
·
|
1042
|
||
|
直径(mm)
|
功率(kw)
|
带宽(mm)
|
表面线速度(m/s)
|
质量(kg)
max
|
||||||||
|
800
|
|
|
0.63
|
0.8
|
1.0
|
1.25
|
1.6
|
2.0
|
2.5
|
3.15
|
4.0
|
|
|
18.5
|
1000
|
|
·
|
·
|
·
|
·
|
·
|
·
|
·
|
|
992
|
|
|
1200
|
|
·
|
·
|
·
|
·
|
·
|
·
|
·
|
|
1045
|
||
|
1400
|
|
·
|
·
|
·
|
·
|
·
|
·
|
·
|
|
1098
|
||
|
22
|
1000
|
|
·
|
·
|
·
|
·
|
·
|
·
|
·
|
|
1085
|
|
|
1200
|
|
·
|
·
|
·
|
·
|
·
|
·
|
·
|
|
1140
|
||
|
1400
|
|
·
|
·
|
·
|
·
|
·
|
·
|
·
|
|
1195
|
||
|
30
|
1000
|
|
|
|
·
|
·
|
·
|
·
|
·
|
|
1235
|
|
|
1200
|
|
|
|
·
|
·
|
·
|
·
|
·
|
|
1290
|
||
|
1400
|
|
|
|
·
|
·
|
·
|
·
|
·
|
|
1340
|
||
|
37
|
1000
|
|
|
|
·
|
·
|
·
|
·
|
·
|
|
1335
|
|
|
1200
|
|
|
|
·
|
·
|
·
|
·
|
·
|
|
1390
|
||
|
1400
|
|
|
|
·
|
·
|
·
|
·
|
·
|
|
1445
|
||
|
45
|
1000
|
|
|
·
|
·
|
·
|
·
|
·
|
·
|
|
1810
|
|
|
1200
|
|
|
·
|
·
|
·
|
·
|
·
|
·
|
|
1900
|
||
|
1400
|
|
|
·
|
·
|
·
|
·
|
·
|
·
|
|
1960
|
||
|
55
|
1000
|
|
|
|
·
|
·
|
·
|
·
|
·
|
|
1950
|
|
|
1200
|
|
|
|
·
|
·
|
·
|
·
|
·
|
|
2010
|
||
|
1400
|
|
|
|
·
|
·
|
·
|
·
|
·
|
|
2070
|
||
|
1000
|
15
|
1000
|
|
|
|
·
|
·
|
·
|
·
|
·
|
|
1145
|
|
1200
|
|
|
|
·
|
·
|
·
|
·
|
·
|
|
1205
|
||
|
1400
|
|
|
|
·
|
·
|
·
|
·
|
·
|
|
1265
|
||
|
18.5
|
1000
|
|
|
|
·
|
·
|
·
|
·
|
·
|
|
1200
|
|
|
1200
|
|
|
|
·
|
·
|
·
|
·
|
·
|
|
1260
|
||
|
1400
|
|
|
|
·
|
·
|
·
|
·
|
·
|
|
1320
|
||
|
22
|
1000
|
|
|
|
·
|
·
|
·
|
·
|
·
|
|
1295
|
|
|
1200
|
|
|
|
·
|
·
|
·
|
·
|
·
|
|
1370
|
||
|
1400
|
|
|
|
·
|
·
|
·
|
·
|
·
|
|
1435
|
||
|
30
|
1000
|
|
|
|
·
|
·
|
·
|
·
|
·
|
|
1455
|
|
|
1200
|
|
|
|
·
|
·
|
·
|
·
|
·
|
|
1520
|
||
|
1400
|
|
|
|
·
|
·
|
·
|
·
|
·
|
|
1590
|
||
|
87
|
1000
|
|
|
|
·
|
·
|
·
|
·
|
·
|
·
|
1560
|
|
|
1200
|
|
|
|
·
|
·
|
·
|
·
|
·
|
·
|
1630
|
||
|
1400
|
|
|
|
·
|
·
|
·
|
·
|
·
|
·
|
1700
|
||
|
45
|
1200
|
|
|
|
·
|
·
|
·
|
·
|
·
|
·
|
2250
|
|
|
1400
|
|
|
|
·
|
·
|
·
|
·
|
·
|
·
|
2325
|
||
|
55
|
1200
|
|
|
|
|
·
|
·
|
·
|
·
|
·
|
2360
|
|
|
1400
|
|
|
|
|
·
|
·
|
·
|
·
|
·
|
2410
|
||
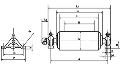
YZ型油冷、油浸式摆线针轮电动滚筒的外形安装尺寸

|
D
|
B
|
A
|
L
|
L1
|
L2
|
H
|
M
|
N
|
P
|
Q
|
ds
|
h
|
L3
|
|
315
(320)
|
500
|
850
|
600
|
≤732
|
940
|
120
|
90
|
-
|
340
|
280
|
27
|
35
|
95
|
|
650
|
1000
|
750
|
≤882
|
1090
|
|||||||||
|
800
|
1300
|
950
|
≤1032
|
1390
|
|||||||||
|
400
|
500
|
850
|
600
|
≤744
|
940
|
120
|
90
|
_
|
340
|
280
|
27
|
35
|
95
|
|
650
|
1000
|
750
|
≤894
|
1090
|
|||||||||
|
800
|
1300
|
950
|
≤1044
|
1390
|
|||||||||
|
500
|
500
|
850
|
600/620
|
≤748
|
960
|
100
|
07
|
_
|
340
|
280
|
27
|
35
|
115
|
|
650
|
1000
|
750
|
≤900
|
1120
|
120
|
90
|
|||||||
|
800
|
1300
|
950
|
≤1100
|
1420
|
120
|
90
|
|||||||
|
630
|
650
|
1000
|
750
|
≤868
|
1120
|
120
|
90
|
_
|
340
|
280
|
27
|
35
|
≤140
|
|
800
|
1300
|
950
|
≤1068
|
1430
|
140
|
130
|
80
|
400
|
330
|
27
|
35
|
||
|
1000
|
1500
|
1150
|
≤1268
|
1630
|
140
|
130
|
80
|
400
|
330
|
27
|
35
|
||
|
1200
|
1750
|
1400
|
≤1514
|
1900
|
160
|
160
|
90
|
440
|
360
|
34
|
50
|
||
|
1400
|
2000
|
1600
|
≤1720
|
2150
|
160
|
160
|
90
|
440
|
360
|
34
|
50
|
||
|
800
|
1000
|
1500
|
1150
|
≤1268
|
1630
|
140
|
145
|
80
|
400
|
330
|
27
|
35
|
≤140
|
|
1200
|
1750
|
1400
|
≤1514
|
1900
|
160
|
160
|
90
|
440
|
360
|
34
|
50
|
||
|
1400
|
2000
|
1600
|
≤1720
|
2150
|
160
|
160
|
90
|
440
|
360
|
34
|
50
|
||
|
1000
|
1000
|
1500
|
1150
|
≤1268
|
1630
|
140
|
145
|
80
|
400
|
330
|
27
|
35
|
≤140
|
|
1200
|
1750
|
1400
|
≤1514
|
1900
|
160
|
160
|
90
|
440
|
360
|
34
|
50
|
||
|
1400
|
2000
|
1600
|
≤1720
|
2150
|
160
|
160
|
90
|
440
|
360
|
34
|
50
|









