全国免费热线
0510-8321 7886
0510-8321 7886
电话:0510-83217886 0510-83217186 0510-68771119 0510-68771110 传真:0510-83206086 地 址:无锡市滨湖区梅园

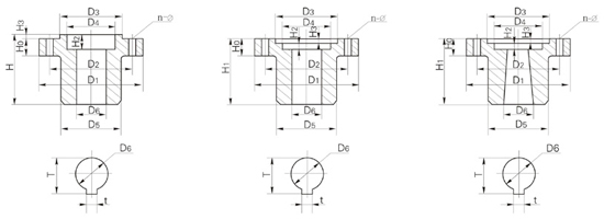
1、JA型凸联轴器主要尺寸
| JA型直孔联轴(上) | D1 | D2 | D3 | D4 | D5 | D6(H7) | H | H0 | H2 | T | t | n-φ |
| JA0 | 115 | 96 | 60 | 45 | 70 | 30 | 55 | 19 | 18 | 33.3 | 8 | 4-12 |
| JA1 | 140 | 110 | 60 | 50 | 80 | 35 | 73 | 15 | 18 | 38.3 | 10 | 4-13.5 |
| JA2 | 160 | 120 | 85 | 70 | 95 | 45 | 90 | 20 | 20 | 48.3 | 14 | 4-13.5 |
| JA3 | 180 | 150 | 100 | 80 | 100 | 55 | 110 | 22 | 28 | 59.3 | 16 | 4-17.5 |
| JA4 | 200 | 165 | 110 | 90 | 125 | 70 | 136 | 28 | 29 | 74.9 | 20 | 4-17.5 |
| JA5 | 230 | 190 | 150 | 115 | 150 | 90 | 157 | 36 | 25 | 95.4 | 25 | 6-17.5 |
| JA6 | 240 | 200 | 140 | 120 | 170 | 100 | 173 | 36 | 30 | 106.4 | 28 | 6-17.5 |
| JA7 | 290 | 250 | 150 | 130 | 180 | 110 | 190 | 36 | 40 | 116.4 | 28 | 6-27 |
| JA8 | 350 | 290 | 180 | 150 | 210 | 130 | 250 | 38 | 40 | 117.4 | 32 | 8-27 |
2、JA型凹直孔联轴器主要尺寸
| JA型直孔联轴(下) | D1 | D2 | D3 | D4 | D5 | D6(H7) | H | H0 | H2 | T | t | n-φ |
| JA0 | 115 | 96 | 60 | 45 | 70 | 30 | 55 | 20 | 13 | 33.3 | 8 | 4-12 |
| JA1 | 140 | 110 | 60 | 50 | 80 | 35 | 75 | 15 | 18 | 38.3 | 10 | 4-13.5 |
| JA2 | 160 | 120 | 85 | 70 | 95 | 45 | 90 | 20 | 20 | 48.3 | 14 | 4-13.5 |
| JA3 | 180 | 150 | 100 | 80 | 100 | 55 | 110 | 23 | 28 | 59.3 | 16 | 4-17.5 |
| JA4 | 200 | 165 | 110 | 90 | 125 | 70 | 130 | 32 | 29 | 74.9 | 20 | 4-17.5 |
| JA5 | 230 | 190 | 150 | 115 | 150 | 90 | 150 | 40 | 25 | 95.4 | 25 | 6-17.5 |
| JA6 | 240 | 200 | 140 | 120 | 170 | 100 | 170 | 38 | 30 | 106.4 | 28 | 6-17.5 |
| JA7 | 290 | 250 | 150 | 130 | 180 | 110 | 185 | 36 | 40 | 116.4 | 28 | 6-27 |
| JA8 | 350 | 290 | 180 | 150 | 210 | 130 | 245 | 38 | 40 | 117.4 | 32 | 8-27 |
3、JA型凹锥孔联轴器主要尺寸(锥主1:20)
| JA型直孔联轴(下) | D1 | D2 | D3 | D4 | D5 | D6(H7) | H | H0 | H2 | T | t | n-φ |
| JA1 | 140 | 110 | 60 | 50 | 80 | 35 | 75 | 15 | 20 | 38.3 | 10 | 4-13.5 |
| JA2 | 160 | 120 | 85 | 70 | 95 | 50 | 90 | 50 | 25 | 53.8 | 14 | 4-13.5 |
| JA3 | 180 | 150 | 100 | 80 | 100 | 60 | 110 | 23 | 25 | 64.4 | 18 | 4-17.5 |
| JA4 | 200 | 165 | 110 | 90 | 125 | 70 | 130 | 32 | 35 | 74.9 | 20 | 4-17.5 |
| JA5 | 230 | 190 | 150 | 115 | 150 | 85 | 150 | 40 | 35 | 90.4 | 25 | 4-17.5 |
| JA6 | 240 | 200 | 140 | 120 | 170 | 100 | 170 | 38 | 40 | 106.4 | 28 | 6-17.5 |
| JA7 | 290 | 250 | 150 | 130 | 180 | 110 | 185 | 36 | 40 | 116.4 | 28 | 6-27 |
| JA8 | 350 | 290 | 180 | 150 | 210 | 130 | 245 | 38 | 40 | 117.4 | 32 | 8-27 |
留言咨询

















