全国免费热线
0510-8321 7886
0510-8321 7886
电话:0510-83217886 0510-83217186 0510-68771119 0510-68771110 传真:0510-83206086 地 址:无锡市滨湖区梅园

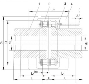
标记示例
例1:GL7型滚子联轴器
主动端:J1型孔,B型键槽 d1=45mm,L1=84mm
从动端:J1型孔,B1型键槽 d2=50mm ,L1=84mm
GL7联轴器
J1B45×84/J1B150×84=GB6069-85
例2:GL3型滚子链轴,有罩壳
主动端:J1型孔,B型键槽 d1=25mm,L1=44mm
从动端:J1型孔,B1型键槽 d2=25mm ,L1=44mm
G13F联轴器J125×44 GB6069-85
|
型号
|
公称转矩TnN·m
|
许用转速(n)
r/min |
轴孔直径
d1、d2 |
轴孔长度
|
链号
|
链条
节距 |
齿数
Z |
D
|
b1
|
S
|
A
|
Dx
(最大) |
Lx
(最大) |
质量
kg |
传动惯量kg·m2
|
||
|
Y型
|
J1型
|
||||||||||||||||
|
不装罩壳
|
安装罩壳
|
L
|
L1
|
||||||||||||||
|
GL1
|
40
|
1400
|
4500
|
16
|
42
|
-
|
06B
|
9.525
|
14
|
51.06
|
5.3
|
4.9
|
-
|
70
|
70
|
0.40
|
0.00010
|
|
18
|
42
|
-
|
-
|
||||||||||||||
|
19
|
42
|
-
|
-
|
||||||||||||||
|
20
|
52
|
38
|
4
|
||||||||||||||
|
GL2
|
63
|
1250
|
4500
|
19
|
42
|
-
|
06B
|
9.525
|
16
|
57.08
|
5.3
|
4.9
|
-
|
75
|
75
|
0.70
|
0.00020
|
|
20
|
52
|
38
|
4
|
||||||||||||||
|
22
|
52
|
38
|
4
|
||||||||||||||
|
24
|
52
|
38
|
4
|
||||||||||||||
|
GL3
|
100
|
1000
|
4000
|
20
|
52
|
38
|
08B
|
12.7
|
14
|
68.88
|
7.2
|
6.7
|
12
|
85
|
80
|
1.1
|
0.00038
|
|
22
|
52
|
38
|
12
|
||||||||||||||
|
24
|
52
|
44
|
12
|
||||||||||||||
|
25
|
62
|
-
|
6
|
||||||||||||||
|
GL4
|
160
|
1000
|
4000
|
24
|
52
|
-
|
08B
|
12.7
|
16
|
76.91
|
7.2
|
6.7
|
-
|
95
|
88
|
1.8
|
0.00086
|
|
25
|
62
|
44
|
6
|
||||||||||||||
|
28
|
62
|
44
|
6
|
||||||||||||||
|
30
|
82
|
60
|
-
|
||||||||||||||
|
32
|
82
|
60
|
-
|
||||||||||||||
|
GL5
|
250
|
800
|
3150
|
28
|
62
|
-
|
10A
|
15.875
|
16
|
94.46
|
8.9
|
9.2
|
-
|
112
|
100
|
3.2
|
0.0025
|
|
30
|
82
|
60
|
-
|
||||||||||||||
|
32
|
82
|
60
|
-
|
||||||||||||||
|
35
|
82
|
60
|
-
|
||||||||||||||
|
38
|
82
|
60
|
-
|
||||||||||||||
|
40
|
112
|
84
|
-
|
||||||||||||||
|
GL6
|
400
|
630
|
2500
|
32
|
82
|
60
|
10A
|
15.875
|
20
|
116.57
|
8.9
|
9.2
|
-
|
140
|
105
|
5.0
|
0.0058
|
|
35
|
82
|
60
|
-
|
||||||||||||||
|
38
|
82
|
60
|
-
|
||||||||||||||
|
40
|
112
|
84
|
-
|
||||||||||||||
|
42
|
112
|
84
|
-
|
||||||||||||||
|
45
|
112
|
84
|
-
|
||||||||||||||
|
18
|
112
|
84
|
-
|
||||||||||||||
|
50
|
112
|
84
|
-
|
||||||||||||||
|
GL7
|
630
|
630
|
2500
|
40
|
112
|
60
|
12A
|
19.05
|
18
|
127.78
|
11.9
|
10.9
|
-
|
150
|
122
|
7.4
|
0.012
|
|
42
|
112
|
60
|
-
|
||||||||||||||
|
45
|
112
|
60
|
-
|
||||||||||||||
|
48
|
112
|
84
|
-
|
||||||||||||||
|
50
|
112
|
84
|
-
|
||||||||||||||
|
55
|
112
|
84
|
-
|
||||||||||||||
|
60
|
142
|
107
|
-
|
||||||||||||||
|
GL8
|
1000
|
500
|
2240
|
45
|
112
|
84
|
16A
|
25.40
|
16
|
154.33
|
15.0
|
14.3
|
12
|
180
|
135
|
11.1
|
0.025
|
|
48
|
112
|
84
|
12
|
||||||||||||||
|
50
|
112
|
84
|
12
|
||||||||||||||
|
55
|
112
|
84
|
12
|
||||||||||||||
|
60
|
142
|
107
|
-
|
||||||||||||||
|
65
|
142
|
107
|
-
|
||||||||||||||
|
70
|
142
|
107
|
-
|
||||||||||||||
|
GL9
|
1600
|
400
|
2000
|
50
|
112
|
84
|
16A
|
25.4
|
20
|
186.50
|
15.0
|
14.3
|
12
|
215
|
145
|
20.0
|
0.061
|
|
55
|
112
|
84
|
12
|
||||||||||||||
,
|
型号
|
公称转矩TnN·m
|
许用转速(n)
r/min |
轴孔直径
d1、d2 |
轴孔长度
|
链号
|
链条
节距 |
齿数
Z |
D
|
b1
|
S
|
A
|
Dx
(最大) |
Lx
(最大) |
质量
kg |
传动惯量kg·m2
|
||
|
Y型
|
J1型
|
||||||||||||||||
|
不装罩壳
|
安装罩壳
|
L
|
L1
|
||||||||||||||
|
GL9
|
1600
|
400
|
2000
|
60
|
142
|
107
|
16A
|
25.40
|
20
|
186.50
|
15.0
|
14.3
|
-
|
215
|
145
|
20.0
|
0.061
|
|
65
|
142
|
107
|
-
|
||||||||||||||
|
70
|
142
|
107
|
-
|
||||||||||||||
|
75
|
142
|
107
|
-
|
||||||||||||||
|
80
|
172
|
132
|
-
|
||||||||||||||
|
GL10
|
2500
|
315
|
1600
|
60
|
142
|
107
|
20A
|
31.75
|
18
|
213.02
|
18.0
|
17.8
|
6
|
245
|
165
|
26.1
|
0.079
|
|
65
|
142
|
107
|
6
|
||||||||||||||
|
70
|
142
|
107
|
6
|
||||||||||||||
|
75
|
142
|
107
|
6
|
||||||||||||||
|
80
|
172
|
132
|
-
|
||||||||||||||
|
85
|
172
|
132
|
-
|
||||||||||||||
|
90
|
172
|
132
|
-
|
||||||||||||||
|
GL11
|
4000
|
250
|
1500
|
75
|
142
|
107
|
24A
|
38.1
|
16
|
231.49
|
24.0
|
21.5
|
35
|
270
|
195
|
39.2
|
0.188
|
|
80
|
172
|
132
|
10
|
||||||||||||||
|
85
|
172
|
132
|
10
|
||||||||||||||
|
90
|
172
|
132
|
10
|
||||||||||||||
|
95
|
212
|
132
|
10
|
||||||||||||||
|
100
|
172
|
167
|
-
|
||||||||||||||
|
GL12
|
6300
|
250
|
1250
|
85
|
172
|
132
|
28A
|
44.45
|
16
|
270.08
|
24.0
|
24.9
|
20
|
310
|
205
|
59.4
|
0.380
|
|
90
|
172
|
132
|
20
|
||||||||||||||
|
95
|
172
|
132
|
20
|
||||||||||||||
|
100
|
212
|
167
|
-
|
||||||||||||||
|
110
|
212
|
167
|
-
|
||||||||||||||
|
120
|
212
|
167
|
-
|
||||||||||||||
|
GL13
|
10000
|
200
|
1120
|
100
|
212
|
167
|
32A
|
50.8
|
18
|
340.80
|
30.0
|
28.6
|
14
|
380
|
230
|
86.5
|
0.869
|
|
110
|
212
|
167
|
14
|
||||||||||||||
|
120
|
212
|
167
|
14
|
||||||||||||||
|
125
|
212
|
167
|
14
|
||||||||||||||
|
130
|
252
|
202
|
-
|
||||||||||||||
|
140
|
252
|
202
|
-
|
||||||||||||||
|
GL14
|
16000
|
200
|
1000
|
120
|
212
|
167
|
32A
|
50.8
|
22
|
405.22
|
30.0
|
28.6
|
14
|
450
|
250
150.8
|
2.06
|
|
|
125
|
212
|
167
|
14
|
||||||||||||||
|
130
|
252
|
202
|
-
|
||||||||||||||
|
140
|
252
|
202
|
-
|
||||||||||||||
|
150
|
252
|
202
|
-
|
||||||||||||||
|
160
|
302
|
202
|
-
|
||||||||||||||
|
GL15
|
25000
|
200
|
900
|
140
|
252
|
202
|
40A
|
63.5
|
20
|
466.25
|
36.0
|
35.6
|
18
|
510
|
285
|
234.4
|
4.37
|
|
150
|
252
|
202
|
18
|
||||||||||||||
|
160
|
302
|
242
|
-
|
||||||||||||||
|
170
|
302
|
242
|
-
|
||||||||||||||
|
180
|
302
|
242
|
-
|
||||||||||||||
|
190
|
352
|
282
|
-
|
||||||||||||||
167
|
型号
|
公称转矩TnN·m
|
许用转速(n)
r/min |
轴孔直径
d1、d2 |
轴孔长度
|
链号
|
链条
节距 |
齿数
Z |
D
|
b1
|
S
|
A
|
Dx
(最大) |
Lx
(最大) |
质量
kg |
传动惯量kg·m2
|
|||
|
Y型
|
J1型
|
|||||||||||||||||
|
不装罩壳
|
安装罩壳
|
L
|
L1
|
|||||||||||||||
|
GL9
|
1600
|
400
|
2000
|
60
|
142
|
107
|
16A
|
25.40
|
20
|
186.50
|
15.0
|
14.3
|
-
|
215
|
145
|
20.0
|
0.061
|
|
|
65
|
142
|
107
|
-
|
|||||||||||||||
|
70
|
142
|
107
|
-
|
|||||||||||||||
|
75
|
142
|
107
|
-
|
|||||||||||||||
|
80
|
172
|
132
|
-
|
|||||||||||||||
|
GL10
|
2500
|
315
|
1600
|
60
|
142
|
107
|
20A
|
31.75
|
18
|
213.02
|
18.0
|
17.8
|
6
|
245
|
165
|
26.1
|
0.079
|
|
|
65
|
142
|
107
|
6
|
|||||||||||||||
|
70
|
142
|
107
|
6
|
|||||||||||||||
|
75
|
142
|
107
|
6
|
|||||||||||||||
|
80
|
172
|
132
|
-
|
|||||||||||||||
|
85
|
172
|
132
|
-
|
|||||||||||||||
|
90
|
172
|
132
|
-
|
|||||||||||||||
|
GL11
|
4000
|
250
|
1500
|
75
|
142
|
107
|
24A
|
38.1
|
16
|
231.49
|
24.0
|
21.5
|
35
|
270
|
195
|
39.2
|
0.188
|
|
|
80
|
172
|
132
|
10
|
|||||||||||||||
|
85
|
172
|
132
|
10
|
|||||||||||||||
|
90
|
172
|
132
|
10
|
|||||||||||||||
|
95
|
212
|
132
|
10
|
|||||||||||||||
|
100
|
172
|
167
|
-
|
|||||||||||||||
|
GL12
|
6300
|
250
|
1250
|
85
|
172
|
132
|
28A
|
44.45
|
16
|
270.08
|
24.0
|
24.9
|
20
|
310
|
205
|
59.4
|
0.380
|
|
|
90
|
172
|
132
|
20
|
|||||||||||||||
|
95
|
172
|
132
|
20
|
|||||||||||||||
|
100
|
212
|
167
|
-
|
|||||||||||||||
|
110
|
212
|
167
|
-
|
|||||||||||||||
|
120
|
212
|
-
|
||||||||||||||||
|
GL13
|
10000
|
200
|
1120
|
100
|
212
|
167
|
32A
|
50.8
|
18
|
340.80
|
30.0
|
28.6
|
14
|
380
|
230
|
86.5
|
0.869
|
|
|
110
|
212
|
167
|
14
|
|||||||||||||||
|
120
|
212
|
167
|
14
|
|||||||||||||||
|
125
|
212
|
167
|
14
|
|||||||||||||||
|
130
|
252
|
202
|
-
|
|||||||||||||||
|
140
|
252
|
202
|
-
|
|||||||||||||||
|
GL14
|
16000
|
200
|
1000
|
120
|
212
|
167
|
32A
|
50.8
|
22
|
405.22
|
30.0
|
28.6
|
14
|
450
|
250
150.8
|
2.06
|
||
|
125
|
212
|
167
|
14
|
|||||||||||||||
|
130
|
252
|
202
|
-
|
|||||||||||||||
|
140
|
252
|
202
|
-
|
|||||||||||||||
|
150
|
252
|
202
|
-
|
|||||||||||||||
|
160
|
302
|
202
|
-
|
|||||||||||||||
|
GL15
|
25000
|
200
|
900
|
140
|
252
|
202
|
40A
|
63.5
|
20
|
466.25
|
36.0
|
35.6
|
18
|
510
|
285
|
234.4
|
4.37
|
|
|
150
|
252
|
202
|
18
|
|||||||||||||||
|
160
|
302
|
242
|
-
|
|||||||||||||||
|
170
|
302
|
242
|
-
|
|||||||||||||||
|
180
|
302
|
242
|
-
|
|||||||||||||||
|
190
|
352
|
282
|
-
|
|||||||||||||||
注:
1、有罩壳时,在型号后加“F”,例GL5型联轴器,有罩壳时改为GL5F。
2、表中联轴器质量和转动惯量是近似值。
3、联轴器的轴孔和键槽型式及尺寸见表4-2-3和表4-2-5。
4、联轴器的润滑对性能有重大影响,无论有无外罩壳,均应保证必要的润滑。
5、联轴器许用补偿量见表4-2-10。
表4-2-10滚子联轴器许用补偿量
|
型号
|
GL1
|
GL2
|
GL3
|
GL4
|
GL5
|
GL6
|
GL7
|
GL8
|
GL9
|
GL10
<, /TD> |
GL11
|
GL12
|
GL13
|
GL14
|
GL15
|
|
项目
|
|||||||||||||||
|
径向△Y,mm
|
0.19
|
0.19
|
0.25
|
0.25
|
0.32
|
0.32
|
0.38
|
0.50
|
0.50
|
0.63
|
0.76
|
0.88
|
1.0
|
1.0
|
1.27
|
|
轴向△X,mm
|
1.4
|
1.4
|
1.9
|
1.9
|
2.3
|
2.3
|
2.8
|
3.8
|
3.8
|
4.7
|
5.7
|
6.6
|
7.6
|
7.6
|
9.5
|
|
角向△α
|
1°
|
||||||||||||||
注:
1、径向便宜量的测量部位,在半轴器论毂外圆宽度的1/2处。
2、所列补偿量的是指容许的由于安装误差、冲击、振动、变形、温度变化等因素所形成的两轴相对偏移量。
留言咨询

















