全国免费热线
0510-8321 7886
0510-8321 7886
电话:0510-83217886 0510-83217186 0510-68771119 0510-68771110 传真:0510-83206086 地 址:无锡市滨湖区梅园
2000系列机械密封可与XD、XS型机架及AD安装底盖配套使用,2001、2002型使用压力<MPa,2003~2007型使用压力<1.6MPa,密封腔温度≤80℃,最大线速度<m/s,适用于各种弱腐蚀性气体。2002H、2005H为带废液收集器,2002K、2005K为带侧冷却水套型。通常2006型可用于2004型代用,2007型可用2006型代用。
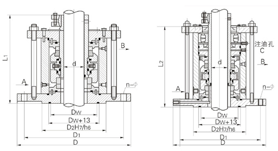
2001~2005型安装尺寸
|
d
|
30~40
|
45~55
|
60~70
|
75~85
|
90~100
|
110~130
|
140~180
|
|
D
|
175
|
240
|
240
|
275
|
305
|
330
|
395
|
|
D1
|
145
|
210
|
210
|
240
|
270
|
295
|
350
|
|
D2
|
110
|
176
|
176
|
204
|
234
|
260
|
313 |
|
Dπ
|
85
|
140
|
140
|
180
|
200
|
220
|
270
|
|
n-Φ
|
4-Φ18
|
8-Φ18
|
8-Φ18
|
8-Φ22
|
8-Φ22
|
8-Φ22
|
12-Φ22
|
|
L1
|
148
|
160
|
160
|
170
|
180
|
200
|
205
|
|
L2
|
215
|
230
|
260
|
280
|
280
|
305
|
310
|

2006、2007型机械密封安装尺寸
|
d
|
30~40 | 45~55 | 60~70 |
75~85
|
90~100
|
110~130
|
140~160
|
|
D
|
200
|
240
|
255
|
295
|
305
|
330
|
395
|
|
D1
|
170
|
210
|
225
|
260
|
270
|
295
|
350
|
|
D2
|
130
|
176
|
176
|
204
|
234
|
260
|
313
|
|
Dπ
|
100
|
140
|
140
|
180
|
200
|
220
|
270
|
|
n-Φ
|
4-Φ18
|
8-Φ18
|
8-Φ18
|
8-Φ22
|
8-Φ22
|
8-Φ22
|
12-Φ22
|
|
L1
|
160
|
170
|
170
|
180
|
180
|
200
|
205
|
|
L2
|
215
|
230
|
260
|
280
|
280
|
305
|
310
|

留言咨询


















