全国免费热线
0510-8321 7886
0510-8321 7886
电话:0510-83217886 0510-83217186 0510-68771119 0510-68771110 传真:0510-83206086 地 址:无锡市滨湖区梅园

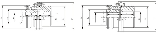
GICLZ型鼓形齿式联轴器基本参数和主要尺寸
| 型号 |
公称扭矩 Tn (N·m) |
许用转速 [n] (r/min) |
轴孔直径 | 轴孔长度 | D | D1 | D2 | D3 | C |
转动惯量 kg·m2 |
重量 kg |
|
| d | d | Y | ||||||||||
| L | ||||||||||||
| GICLZ1 | 630 | 4000 | 16 18 19 | 16 18 19 | 42 | 125 | 95 | 60 | 80 | 20 | 0.0084 | 5.4 |
| 20 22 24 | 20 22 24 | 52 | 10 | |||||||||
| 25 28 | 25 28 | 62 | 2.5 | |||||||||
| 30 32 35 38 | 30 32 35 38 | 82 | ||||||||||
| 40 42 45 48 50 | 112 | |||||||||||
| GICLZ2 | 1120 | 25 28 | 25 28 | 62 | 144 | 120 | 75 | 95 | 10.5 | 0.018 | 9.2 | |
| 30 32 35 38 | 30 32 35 38 | 82 | 2.5 | |||||||||
| 40 42 45 48 | 40 42 45 48 50 55 56 | 112 | ||||||||||
| 60 | 142 | |||||||||||
| GICLZ3 | 2240 | 30 32 35 38 | 30 32 35 38 | 82 | 174 | 140 | 95 | 115 | 3 | 0.0427 | 16.4 | |
| 40 42 45 48 50 55 56 | 40 42 45 48 50 55 56 | 112 | ||||||||||
| 60 | 60 63 65 70 | 142 | ||||||||||
| GICLZ4 | 3550 | 3600 | 32 35 38 | 32 35 38 | 82 | 196 | 65 | 115 | 130 | 14 | 0.076 | 22.7 |
| 40 42 45 48 50 55 56 | 40 42 45 48 50 55 56 | 112 | 3 | |||||||||
| 60 63 65 70 | 60 63 65 70 71 75 | 142 | ||||||||||
| 80 | 172 | |||||||||||
| GICLZ5 | 5000 | 3300 | 40 42 45 48 50 55 56 | 40 42 45 48 50 55 56 | 112 | 224 | 183 | 130 | 150 | 3 | 0.0149 | 36.2 |
| 60 63 68 70 71 75 | 60 63 65 70 71 75 | 142 | ||||||||||
| 80 | 80 85 90 | 172 | ||||||||||
| GICLZ6 | 7100 | 3000 | 48 50 55 56 | 48 50 55 56 | 112 | 241 | 200 | 145 | 170 | 6 | 0.24 | 46.2 |
| 60 63 65 70 71 75 | 60 63 65 70 71 75 | 142 | 4 | |||||||||
| 80 85 90 | 80 85 90 95 | 172 | ||||||||||
| 100 | 212 | |||||||||||
| GICLZ7 | 10000 | 2680 | 60 63 65 70 71 75 | 60 63 65 70 71 75 | 142 | 260 | 230 | 160 | 195 | 4 | 0.43 | 68.4 |
| 80 85 90 95 | 80 85 90 95 | 172 | ||||||||||
| 100 | 100 110 120 | 212 | ||||||||||
| GICLZ8 | 14000 | 2500 | 65 70 71 75 | 65 70 71 75 | 142 | 282 | 245 | 175 | 210 | 5 | 0.61 | 81.1 |
| 80 85 90 95 | 130 140 | 172 | ||||||||||
| 100 110 | 100 110 120 125 | 212 | ||||||||||
| 130 | 252 | |||||||||||
| GICLZ9 | 18000 | 2350 | 70 71 75 | 70 71 75 | 142 | 314 | 270 | 200 | 225 | 10 | 0.94 | 100.1 |
| 80 85 90 95 | 80 85 90 95 | 172 | 5 | |||||||||
| 100 110 120 125 | 100 110 120 125 | 212 | ||||||||||
| 130 140 | 252 | |||||||||||
| GICLZ10 | 31500 | 2150 | 80 85 90 95 | 80 85 90 95 | 172 | 346 | 300 | 220 | 250 | 5 | 1.67 | 147.1 |
| 100 110 120 125 | 100 110 120 125 | 212 | ||||||||||
| 130 140 | 130 140 150 | 252 | ||||||||||
| 160 | 302 | |||||||||||
| GICLZ11 | 40000 | 1880 | 100 110 120 125 | 100 110 120 125 | 212 | 380 | 220 | 260 | 285 | 6 | 2.98 | 206.3 |
| 130 140 150 | 130 140 150 | 252 | ||||||||||
| 160 | 160 170 180 | 302 | ||||||||||
| GICLZ12 | 56000 | 1680 | 120 125 | 120 125 | 212 | 442 | 380 | 290 | 325 | 6 | 5.31 | 284.5 |
| 130 140 150 | 130 140 150 | 252 | ||||||||||
| 160 170 180 | 160 170 180 | 302 | ||||||||||
| 190 200 | 352 | |||||||||||
| GICLZ13 | 80000 | 1530 | 140 150 | 140 150 | 252 | 482 | 420 | 320 | 360 | 7 | 9.16 | 402.0 |
| 160 170 180 | 160 170 180 | 302 | ||||||||||
| 190 200 | 190 200 220 | 352 | ||||||||||
| GICLZ14 | 112000 | 1300 | 160 170 180 | 160 170 180 | 302 | 520 | 465 | 360 | 410 | 8 | 15.92 | 582.2 |
| 190 200 220 | 190 200 220 | 352 | ||||||||||
| 240 250 | 410 | |||||||||||
| GICLZ15 | 160000 | 1180 |
190 200 220 |
190 200 220 | 352 | 580 | 510 | 400 | 450 | 10 | 25.8 | 778.2 |
| 240 250 | 240 250 260 | 410 | ||||||||||
| 280 | 470 | |||||||||||
| GICLZ16 | 250000 | 1000 | 200 220 | 200 220 | 352 | 680 | 595 | 465 | 500 | 10 | 46.89 | 1071.0 |
| 240 250 260 | 240 250 260 | 410 | ||||||||||
| 280 | 280 300 320 | 470 | ||||||||||
| GICLZ17 | 280000 | 980 | 220 | 220 | 352 | 720 | 645 | 495 | 530 | 10 | 60.59 | 1210 |
| 240 250 260 | 240 250 260 | 410 | ||||||||||
| 280 300 | 280 300 320 | 470 | ||||||||||
| GICLZ18 | 355000 | 900 | 240 25 260 | 240 250 260 | 410 | 775 | 675 | 520 | 540 | 10 | 81.75 | 1475 |
| 280 300 320 | 280 300 320 | 470 | ||||||||||
| 340 | 550 | |||||||||||
| GICLZ19 | 450000 | 830 | 260 | 260 | 410 | 815 | 715 | 560 | 580 | 10 | 101.57 | 1603 |
| 280 300 320 | 280 300 320 | 470 | ||||||||||
| 340 | 340 360 | 550 | ||||||||||
| GICLZ20 | 500000 | 790 | 280 300 320 | 280 300 320 | 470 | 855 | 755 | 585 | 600 | 13 | 140.03 | 2033 |
| 340 360 | 340 360 380 | 550 | ||||||||||
| GICLZ21 | 63000 | 750 | 300 320 | 300 320 | 470 | 915 | 795 | 620 | 640 | 13 | 183.49 | 2385 |
留言咨询

















