全国免费热线
0510-8321 7886
0510-8321 7886
电话:0510-83217886 0510-83217186 0510-68771119 0510-68771110 传真:0510-83206086 地 址:无锡市滨湖区梅园

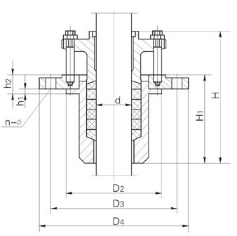
本系列填料箱适用于≤0.6MPa,设计温度≤100℃,转轴线速度<2m/s,其特点为填料函部分在安装法兰下面,能缩短安装空间。
401、402型填料箱主要尺寸
|
d
|
D4
|
D3
|
D2
|
h1
|
h2
|
H1
|
H
|
n-Ф
|
重量
|
|
25,30
|
185
|
150
|
116
|
4
|
23
|
109
|
172
|
4-Ф18
|
11
|
|
35,40,45
|
205
|
170
|
135
|
4.5
|
23.5
|
109
|
172
|
4-Ф18
|
17
|
|
50,55,60,65
|
235
|
200
|
164
|
4.5
|
26
|
136
|
209
|
8-Ф18
|
18
|
|
70,75,80,85
|
260
|
225
|
188
|
4.5
|
26
|
136
|
209
|
8-Ф18
|
21
|
|
90,95,100
|
290
|
255
|
217
|
4.5
|
28
|
163
|
247
|
8-Ф18
|
33
|
|
110,120,125
|
315
|
280
|
245
|
4.5
|
28
|
163
|
247
|
8-Ф18
|
37
|
|
130,140
|
340
|
305
|
271
|
6
|
32
|
175
|
260
|
8-Ф18
|
41
|
|
150,160
|
395
|
350
|
219
|
6
|
32
|
175
|
260
|
12-Ф22
|
50
|
|
180,200
|
445
|
400
|
270
|
6
|
32
|
175
|
260
|
12-Ф22
|
61
|
留言咨询

















