全国免费热线
0510-8321 7886
0510-8321 7886
电话:0510-83217886 0510-83217186 0510-68771119 0510-68771110 传真:0510-83206086 地 址:无锡市滨湖区梅园

釜用机械密封订货、使用、安装
1、订货前必须详细提供配套设备的轴径、压力、温度、转速、密封介质、旋向。
2、根据参数、正确选择相应型号的机械密封及所有材料。
3、使用压力高于0.8MPa,许配套平衡罐。
4、介质温度高于200℃要选用双冷却结构。
5、轴的轴向串动不大于±0.5mm。径向摆动不大于0.5mm。
6、安装机械密封的法拦与轴线不垂直度允许0.05mm。
7、安装机械密封部位的轴制造公差为在d4粗糙度。
8、机械密封安装后应用水试运转24小时后再正是投料生产。
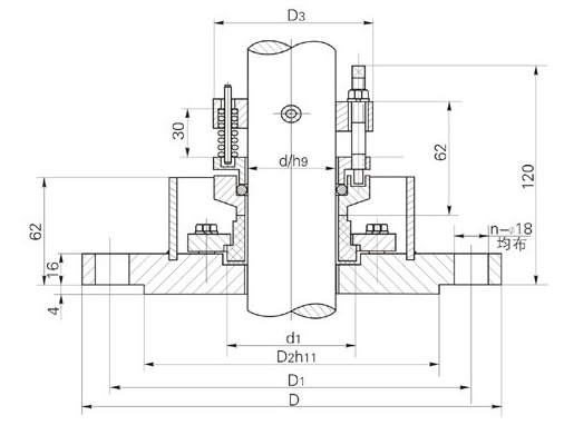
202、204型釜用机械密封(HG5-752-78)
结构单端面,小弹簧,非平衡型(202)
单端面,小弹簧,平衡型(204)
压力0-0.25MPa(202)、0-0.8MPa
温度-40-180℃(202、204)
转速≤500转/分
轴径30-150mm(202、204)
使用介质:(202、204)酸、碱、油、高分子悬浮液
202型釜用机械密封主要尺寸
|
符号
|
d/h8
|
d1
|
D
|
D1
|
D2h11
|
D3
|
n-Φ
|
|
|
轴径
|
30
|
30
|
50
|
185
|
150
|
116
|
64
|
4-Φ18
|
|
40
|
40
|
64
|
205
|
170
|
135
|
76
|
4-Φ18
|
|
|
50
|
50
|
76
|
235
|
200
|
164
|
88
|
8-Φ18
|
|
|
5
|
65
|
91
|
235
|
200
|
164
|
103
|
8-Φ18
|
|
|
80
|
80
|
110
|
260
|
225
|
188
|
118
|
8-Φ18
|
|
|
95
|
95
|
123
|
290
|
255
|
220
|
132
|
12-Φ18
|
|
|
110
|
110
|
140
|
315
|
280
|
245
|
150
|
12-Φ18
|
|
|
125
|
125
|
155
|
315
|
280
|
245
|
165
|
12-Φ18
|
|
|
130
|
130
|
158
|
360
|
320
|
285
|
180
|
12-Φ18
|
|
|
140
|
140
|
168
|
360
|
320
|
285
|
195
|
12-Φ18
|
|
|
150
|
150
|
180
|
360
|
320
|
285
|
210
|
12-Φ18
|
|
204B型釜用机械密封主要尺寸
|
符号
|
d/h8
|
d1
|
D
|
D1
|
D2h11
|
D3
|
n-Φ
|
|
|
轴径
|
30
|
30
|
50
|
185
|
150
|
116
|
67
|
4-Φ18
|
|
40
|
40
|
64
|
205
|
170
|
135
|
77
|
4-Φ18
|
|
|
50
|
50
|
74
|
235
|
200
|
164
|
87
|
8-Φ18
|
|
|
60
|
60
|
85
|
235
|
200
|
164
|
98
|
8-Φ18
|
|
|
65
|
65
|
91
|
235
|
200
|
164
|
103
|
8-Φ18
|
|
|
80
|
80
|
110
|
260
|
225
|
188
|
118
|
12-Φ18
|
|
|
90
|
90
|
119
|
290
|
255
|
220
|
128
|
12-Φ18
|
|
|
100
|
100
|
132
|
315
|
280
|
245
|
138
|
12-Φ18
|
|
|
100
|
100
|
140
|
315
|
280
|
245
|
148
|
12-Φ18
|
|
留言咨询


















