全国免费热线
0510-8321 7886
0510-8321 7886
电话:0510-83217886 0510-83217186 0510-68771119 0510-68771110 传真:0510-83206086 地 址:无锡市滨湖区梅园


结构:单端面、小弹簧、聚四氟乙烯波纹管型
压力:≤0.6MPa
温度:-40~120℃
转速:≤500转/分
适用介质:硫酸、硝酸、有机酸等强腐蚀介质(无悬浮颗粒)
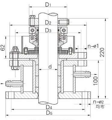
79标212型机封安装尺寸表1
|
符号
|
d
|
D1
|
D2
|
D3
|
D4
|
D5
|
n-Φ1
|
n-Φ1
|
|
公差
|
h7 |
|
|
|
|
|
|
|
|
轴径
|
||||||||
|
212-40
|
40
|
90
|
170
|
140
|
130
|
160
|
6-Φ13
|
4-Φ18
|
|
212-50
|
50
|
100
|
200
|
170
|
150
|
185
|
6-Φ13
|
4-Φ18
|
|
212-65
|
65
|
115
|
220
|
190
|
170
|
205
|
10-Φ13
|
4-Φ18
|
|
212-80
|
80
|
130
|
220
|
190
|
200
|
235
|
10-Φ13
|
8-Φ18
|
|
212-95
|
95
|
150
|
230
|
200
|
200
|
235
|
6-Φ13
|
8-Φ18
|
|
212-102
|
102
|
150
|
230
|
200
|
255
|
290
|
10-Φ13
|
8-Φ18
|
69标212型机封安装尺寸表
|
符号
|
d
|
D1
|
D2
|
D3
|
D4
|
D5
|
n-Φ1
|
n-Φ1
|
|
公差
|
h7 |
|
|
|
|
|
|
|
|
轴径
|
||||||||
|
212-42
|
42
|
170
|
170
|
140
|
140
|
170
|
6-Φ13
|
6-Φ16
|
|
212-50
|
50
|
100
|
200
|
170
|
170
|
200
|
8-Φ13
|
8-Φ16
|
|
212-60
|
60
|
110
|
200
|
170
|
190
|
220
|
8-Φ13
|
10-Φ16
|
|
212-70
|
70
|
120
|
220
|
190
|
250
|
280
|
10-Φ13
|
16-Φ16
|
|
212-76
|
76
|
130
|
220
|
190
|
250
|
280
|
10-Φ13
|
16-Φ16
|
|
212-80
|
80
|
130
|
220
|
190
|
250
|
280
|
10-Φ13
|
16-Φ16
|
|
212-89
|
89
|
140
|
220
|
190
|
250
|
280
|
10-Φ13
|
16-Φ16
|
|
212-95
|
95
|
150
|
230
|
200
|
300
|
330
|
6-Φ13
|
20Φ-16
|

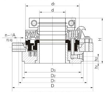
图7-5 221型径向双端面耐腐蚀釜用机械密封
结构:径向双端面、小弹簧、传动销传动
压力:≤1MPa
温度:0-120℃
轴径:≤500转/分
适用介质:腐蚀性介质,密封泄漏要求较高的场合
221型径向双端面耐腐蚀釜用机械密封标
|
符号
|
d
|
d1
|
D
|
D1
|
D2
|
D3
|
h1
|
h2
|
H
|
n-ΦA
|
|
轴径
|
40
|
106
|
185
|
145
|
122
|
109
|
4
|
13
|
110
|
4-Φ18
|
|
50
|
116
|
220
|
180
|
158
|
149
|
4
|
13
|
119
|
8-Φ18
|
|
|
65
|
136
|
250
|
210
|
188
|
175
|
5
|
15
|
137
|
8-Φ18
|
|
|
80
|
164
|
250
|
210
|
188
|
175
|
5
|
15
|
137
|
8-Φ18
|
|
|
95
|
184
|
285
|
240
|
212
|
203
|
5
|
15
|
137
|
8-Φ18
|
|
|
110
|
210
|
340
|
285
|
268
|
259
|
6
|
17
|
146
|
8-Φ22
|
|
|
125
|
235
|
340
|
295
|
268
|
259
|
6
|
17
|
146
|
8-Φ22
|
|
|
140
|
250
|
395
|
350
|
324
|
335
|
6
|
17
|
146
|
12-Φ22
|
留言咨询


















