全国免费热线
0510-8321 7886
0510-8321 7886
电话:0510-83217886 0510-83217186 0510-68771119 0510-68771110 传真:0510-83206086 地 址:无锡市滨湖区梅园
本公司生产近30类,计140多种搅拌器,从最常见的(包括已有的HB5标准,SB90标准各种搅拌器)到各种复杂形状或特殊用途的搅拌器。可按H/T2123-91标准的各种规格尺寸系列制造,也可根据用户生产工艺需求,代为设计制造各种特殊要求、特殊规格或特殊用途的搅拌器。
搅拌器型号标注方法:
![]() |
|
| 材料代号 | |
| 搅拌器轴孔径 | |
| 搅拌器的外径, | |
| 搅拌器型式代号 |
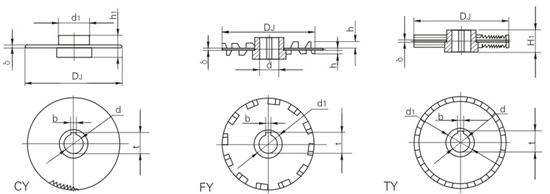
齿形圆盘涡轮式搅拌器
平齿形圆盘涡轮式CY、翻齿形圆盘涡轮式FY、贴齿形圆盘涡轮式TY
圆盘外缘呈锯齿形,高速旋转下剪切性能很高。循环能力相对弱,分散、粉碎、剥离作用强烈,两相物性差民大的分散混合很适用,如涂料的节散过程。平齿形为一层水平的锯齿,翻齿形和贴齿形为上下两向立式锯齿,前者为齿和圆盘一体冲成上下翻出,齿粗疏,后者为两过锯齿条焊于圆盘外缘,齿细密。常用介质粘度μ<50000cp,常用运转速度n=100-1000rpm,v=5-20m/s,常用尺寸DJ/D=0.2-0.5。

齿形圆盘涡轮式搅拌器主要尺寸
| DJ | d | d1 | h1 | h | 键槽 | δ(不锈钢/碳钢) | 重量(kg)不锈钢/碳钢 | |
| b | t | |||||||
| 100 | 14 | - | - | 10 | - | - | 2/3 | 0.124/0.185 |
| 125 | 16 | - | - | 13 | - | - | 2/3 | 0.194/0.289 |
| 160 | 18 | - | - | 16 | - | - | 2/3 | 0.318/0.473 |
| 180 | 20 | - | - | 18 | - | - | 2/3 | 0.402/0.599 |
| 200 | 25 | - | - | 20 | - | - | 2/3 | 0.496/0.74 |
| 220 | 25 | - | - | 22 | - | - | 2/3 | 0.601/0.895 |
| 250 | 30 | - | - | 25 | - | - | 2/3 | 0.776/1.156 |
| 280 | 30 | 60 | 60 | 28 | 8 | 33.3 | 3/4 | 2.459/2.933 |
| 320 | 35 | 70 | 70 | 32 | 8 | 38.3 | 3/4 | 3.496/4.115 |
| 360 | 40 | 75 | 75 | 36 | 12 | 43.3 | 3/4 | 4.272/5.056 |
| 400 | 45 | 80 | 80 | 40 | 14 | 48.8 | 3/4 | 5.148/6.114 |
| 450 | 50 | 85 | 85 | 45 | 14 | 53.8 | 3/4 | 6.249/7.474 |
| 500 | 55 | 90 | 90 | 50 | 16 | 59.4 | 3/4 | 7.473/8.985 |
| 560 | 60 | 100 | 100 | 56 | 18 | 64.4 | 4/6 | 11.733/15.351 |
| 630 | 65 | 105 | 105 | 63 | 18 | 69.4 | 4/6 | 14.46/19.292 |
| 710 | 70 | 110 | 110 | 70 | 20 | 74.9 | 4/6 | 17.391/23.528 |
| 800 | 75 | 120 | 120 | 80 | 20 | 79.9 | 4/6 | 22.374/30.165 |
| 900 | 80 | 130 | 130 | 80 | 22 | 85.4 | 5/6 |
33.548/38.784 |
| 1000 | 90 | 150 | 150 | 100 | 25 | 95.4 | 5/6 | 44.343/44.353 |
留言咨询



















