全国免费热线
0510-8321 7886
0510-8321 7886
电话:0510-83217886 0510-83217186 0510-68771119 0510-68771110 传真:0510-83206086 地 址:无锡市滨湖区梅园

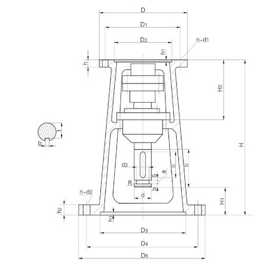
TJQ型机架下装JQ、JJQ型夹壳式联轴器主要参数及尺寸
| 机架型号 | 减速机型号 | 输出轴d | 输入端接口 | 输出问接口 | H | H1 | H2 | I1 | I2 |
a (H11) |
b1 |
D2 (h11) |
b | t | ||||||||||
| D | D1 | D2 | h | h1 | n-d1 | D3 | D4 | D5 | h2 | h3 | n-d2 | |||||||||||||
| TJQ2 | B1 | 35 | 230 | 200 | 170 | 18 | 5 | 6-12 | 250 | 300 | 335 | 22 | 7 | 4-24 | 517 | 182 | 190 | 55 | 85 | 5 | 4 | 30 | 10 | 30 |
| TJQ3 | B2 | 45 | 260 | 230 | 200 | 20 | 6 | 6-13.5 | 295 | 350 | 392 | 25 | 7 | 4-26 | 560 | 191 | 210 | 70 | 100 | 6 | 5 | 37 | 14 | 39.5 |
| TJQ4 | B3 | 55 | 340 | 310 | 270 | 20 | 6 | 6-13.5 | 345 | 400 | 442 | 26 | 7 | 4-26 | 675 | 253 | 250 | 70 | 100 | 6 | 5 | 47 | 16 | 49 |
| TJQ5 | B3 | 55 | 340 | 310 | 270 | 20 | 6 | 6-13.5 | 390 | 450 | 498 | 26 | 7 | 4-30 | 680 | 258 | 250 | 70 | 100 | 6 | 5 | 47 | 16 | 49 |
| TJQ6 | B4 | 70 | 400 | 360 |
320 (316) |
22 | 6 | 8-16 | 435 | 500 | 548 | 26 | 7 | 8-30 | 736 | 284 | 250 | 100 | 130 | 8 | 6 | 60 | 20 | 62.5 |
| TJQ7 | B5 | 90 | 490 | 450 | 400 | 25 | 7 | 12-18 | 440 | 550 | 600 | 28 | 10 | 12-22 | 810 | 233 | 296 | 140 | 170 | 10 | 8 | 80 | 25 | 81 |
| TJQ8 | B6 | 100 | 580 | 520 |
460 (455) |
26 | 10 | 12-22 | 500 | 550 | 600 | 30 | 10 | 12-22 | 820 | 187 | 362 | 140 | 170 | 10 | 8 | 90 | 28 | 90 |
| TJQ9 | B7 | 110 | 650 | 590 | 520 | 30 | 12 | 12-22 | 560 | 650 | 700 | 40 | 10 | 12-27 | 955 | 210 | 420 | 160 | 200 | 12 | 10 | 100 | 28 | 100 |
| TJQ10 | B8 | 130 | 880 | 800 | 680 | 40 | 12 | 12-38 | 720 | 810 | 880 | 45 | 10 | 20-27 | 1200 | 297 | 550 | 180 | 225 | 14 | 12 | 118 | 32 | 119 |
留言咨询


















