全国免费热线
0510-8321 7886
0510-8321 7886
电话:0510-83217886 0510-83217186 0510-68771119 0510-68771110 传真:0510-83206086 地 址:无锡市滨湖区梅园
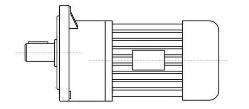
1、全封闭全寿命机电一体化设计
2、硬齿面斜齿轮传动、低噪音、高效率
3、整体结构紧凑、重量轻、适应性强
4、可附加电磁制动器
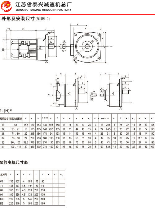
安装形式:W-底脚式 F-法兰式





留言咨询













