全国免费热线
0510-8321 7886
0510-8321 7886
电话:0510-83217886 0510-83217186 0510-68771119 0510-68771110 传真:0510-83206086 地 址:无锡市滨湖区梅园
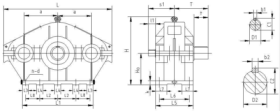
SH型减速器外形尺寸,见图8、表10:

图8 SH型减速器外形尺寸
表10 SH型减速器外形尺寸
|
规格
|
中心尺寸
|
轮 廓 尺 寸
|
地 脚 螺 栓
|
高速轴伸i≤23
|
高速轴伸i≥25.5
|
低 速 轴 伸
|
质量
(kg)
|
|
a H0
|
H L L1 L5
|
d n k L2 L3 L4 L6 L7 L8
|
D1 l1 s1 c1 b1
|
D1 l1 s1 c1 b1
|
D2 t T c2 b2
|
||
|
80
90
105
125
145
175
215
255
300
350
400
450
500
550
600
670
750
840
950
1070
|
80 75
90 85
105 100
125 115
145 130
175 165
215 200
255 230
300 280
350 325
400 355
450 400
500 500
550 560
600 630
670 670
750 750
840 840
950 950
1070 1060
|
155 280 160 105
176 315 180 120
201 360 230 135
258 410 270 140
291 475 310 175
367 585 370 200
433 690 450 240
493 810 530 260
585 960 630 300
678 1100 720 340
740 1280 820 370
825 1440 920 420
988 1610 1050 465
1110 1750 1130 510
1230 1920 1250 555
1330 2110 1370 600
1480 2350 1550 660
1626 2640 1730 750
1830 2940 1950 815
2060 3230 2190 870
|
M8 4 10 67.5 30 85 30
M10 4 12 77.5 40 95 35
M12 4 14 80 60 105 40
M12 4 16 100 60 110 40
M16 4 18 115 70 130 50
M16 4 20 145 80 150 60
M20 4 25 190 100 185 65
M20 6 25 220 100 100 210 70
M24 6 30 255 120 120 235 80
M24 6 35 310 120 160 270 90
M24 8 40 150 120 120 310 100 210
M30 8 45 160 120 120 340 100 240
M36 8 50 185 150 120 390 100 250
M36 8 60 200 150 150 440 120 290
M42 8 60 220 180 150 480 120 300
M42 8 70 250 180 180 520 140 350
M48 8 80 250 210 210 560 150 420
M48 10 80 330 225 200 640 150 410
M56 10 90 360 235 200 685 200 480
M56 10 90 440 240 240 735 200 540
|
9j6 20 70 10.2 3
11j6 23 80 12.5 4
14j6 25 90 16 5
18j6 28 100 20.5 6
22j6 36 115 25 8
30j6 58 150 33 8
35k6 58 165 38 10
45k6 82 195 48.5 14
50k6 82 215 53.5 14
55m6 82 240 59 16
65m6 105 290 69 18
75m6 105 310 79.5 20
80m6 130 350 85 22
85m6 130 370 90 22
90m6 130 390 95 25
100m6 165 450 106 28
110m6 165 485 116 28
130m6 200 545 137 32
150m6 200 575 158 36
170m6 240 640 179 40
|
9j6 20 70 10.2 3
11j6 23 80 12.5 4
14j6 25 90 16 5
18j6 28 100 20.5 6
22j6 36 115 25 8
30j6 58 150 33 8
35k6 58 165 38 10
45k6 82 195 48.5 14
50k6 82 215 53.5 14
55m6 82 240 59 16
65m6 105 290 69 18
70m6 105 310 74.5 20
70m6 105 325 74.5 20
75m6 105 345 79.5 20
80m6 130 390 85 22
90m6 130 415 95 25
100m6 165 485 106 28
110m6 165 510 116 28
130m6 200 575 137 32
150m6 200 600 158 36
|
24j6 36 85 27 8
28j6 42 100 31 8
32k6 58 125 35 10
38k6 58 130 41 10
48k6 82 160 51.5 14
60m6 105 203 64 18
75m6 105 215 79.5 20
90m6 130 245 95 25
110m6 165 315 116 28
130m6 200 365 137 32
150m6 200 395 158 36
170m6 240 460 179 40
180m6 240 470 190 45
200m6 280 535 210 50
220m6 280 540 231 50
250m6 330 630 262 56
280m6 380 705 292 63
300m6 380 730 314 70
340m6 450 830 355 80
380m6 450 860 395 80
|
17
22
30
43
73
110
170
250
440
590
850
1170
1650
2220
2900
4100
5900
8450
12370
18100
|
留言咨询




















