全国免费热线
0510-8321 7886
0510-8321 7886
电话:0510-83217886 0510-83217186 0510-68771119 0510-68771110 传真:0510-83206086 地 址:无锡市滨湖区梅园
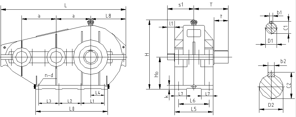
SHT型减速器外形尺寸,见图17、表19:

图17 SHT型减速器外形尺寸
表19 SHT型减速器外形尺寸
|
规
格
|
中心尺寸
|
轮 廓 尺 寸
|
地 脚 螺 栓
|
高 速 轴 伸
|
低 速 轴 伸
|
质量
(kg)
|
|
a H0
|
H L L0 L5 L8
|
d n k L1 L2 L3 L4 L6 L7
|
D1 l1 s1 c1 b1
|
D2 t T c2 b2
|
||
|
125
|
125 115
|
258 455 300 140 125
|
M12 4 16 240 80 110 40
|
18j6 28 100 20.5 6
|
38k6 58 130 41 10
|
53
|
|
145
|
145 130
|
291 530 350 175 148
|
M16 4 18 280 85 130 50
|
22j6 36 115 25 8
|
48k6 82 160 51.5 14
|
89
|
|
175
|
175 165
|
367 652 420 200 185
|
M16 4 20 340 90 150 60
|
30j6 58 150 33 8
|
60m6 105 203 64 18
|
132
|
|
215
|
215 200
|
433 780 510 240 220
|
M20 4 25 410 100 185 65
|
35k6 58 165 38 10
|
75m6 105 215 79.5 20
|
204
|
|
255
|
255 230
|
493 915 600 260 255
|
M20 6 25 230 270 120 210 70
|
45k6 82 195 48.5 14
|
90m6 130 245 95 25
|
310
|
|
300
|
300 280
|
585 1075 710 300 295
|
M24 6 30 280 310 150 235 80
|
50k6 82 215 53.5 14
|
110m6 165 315 116 28
|
528
|
|
350
|
350 325
|
678 1250 830 340 350
|
M24 6 35 330 370 180 270 90
|
55m6 82 240 59 16
|
130m6 200 365 137 32
|
708
|
|
400
|
400 355
|
740 1440 950 370 400
|
M24 8 40 200 340 290 220 310 100
|
65m6 105 290 69 18
|
150m6 200 395 158 36
|
1020
|
留言咨询




















