全国免费热线
0510-8321 7886
0510-8321 7886
电话:0510-83217886 0510-83217186 0510-68771119 0510-68771110 传真:0510-83206086 地 址:无锡市滨湖区梅园
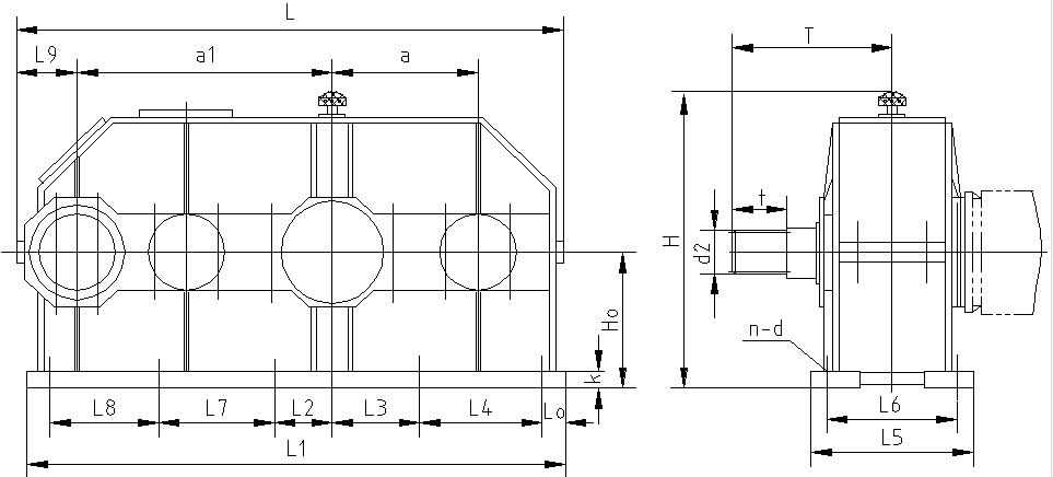
MSH型减速器外形尺寸,见图14、表16:

图14 MSH型减速器外形尺寸
表16 MSH型减速器外形尺寸
|
规
格
|
中 心 尺 寸
|
轮 廓 尺 寸
|
地 脚 螺 栓
|
输 出 轴 伸
|
所配电机
|
质量
(kg)
|
|
|
a1 a H0
|
H L L1 L5 L9
|
d n k L2 L3 L4 L6 L7 L8 L0
|
花 键
|
t T
|
|||
|
350
|
570 350 325
|
678 1275 1230 400 155
|
M24 10 27 320 245 245 350 320 40
|
EXT36Z×3m×30R×6f
|
170 490
|
YEJ132
|
750
|
|
400
|
650 400 400
|
845 1430 1380 480 160
|
M30 12 33 340 280 280 415 360 45
|
EXT44Z×3m×30R×6f
|
190 537
|
YEJ160
|
1420
|
|
500
|
820 500 475
|
990 1800 1740 570 190
|
M36 12 40 200 300 400 500 400 300 60
|
EXT60Z×3m×30R×6f
|
265 673
|
YEJ180
|
2620
|
|
550
|
910 550 560
|
1110 2000 1920 610 215
|
M36 12 40 250 390 390 530 380 380 65
|
EXT40Z×5m×30R×6f
|
300 750
|
YEJ200
|
3430
|
|
600
|
1000 600 630
|
1270 2200 2100 670 240
|
M42 12 45 300 420 420 580 400 400 80
|
EXT45Z×5m×30R×6f
|
360 800
|
YEJ225
|
4310
|
留言咨询




















