全国免费热线
0510-8321 7886
0510-8321 7886
电话:0510-83217886 0510-83217186 0510-68771119 0510-68771110 传真:0510-83206086 地 址:无锡市滨湖区梅园
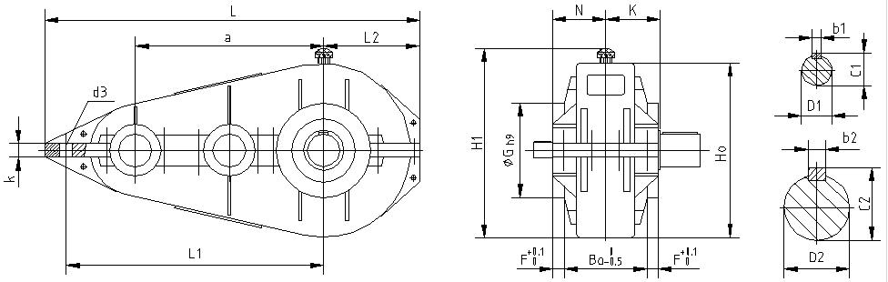
QXSH型减速器外形尺寸,见图19、表22:

图19 QXSH型减速器外形尺寸
表22 QXSH型减速器外形尺寸
|
规
格
|
中 心 尺 寸
|
轮 廓 尺 寸
|
安 装 尺 寸
|
其 他 尺 寸
|
质量
(kg)
|
|||||||||
|
a
|
H0
|
H1
|
L
|
d3
|
L1
|
k
|
G
|
B0
|
F
|
L2
|
N
|
K
|
||
|
250
|
250
|
245
|
515
|
480
|
18
|
335
|
20
|
150
|
154
|
18
|
140
|
100
|
103
|
69
|
|
320
|
320
|
310
|
335
|
670
|
24
|
460
|
25
|
160
|
165
|
20
|
183
|
120
|
125
|
127
|
|
400
|
400
|
376
|
411
|
815
|
30
|
565
|
32
|
190
|
200
|
20
|
215
|
140
|
145
|
211
|
|
500
|
500
|
466
|
490
|
990
|
36
|
700
|
40
|
220
|
260
|
25
|
250
|
175
|
180
|
334
|
|
630
|
630
|
606
|
630
|
1250
|
42
|
870
|
50
|
260
|
280
|
30
|
330
|
210
|
210
|
708
|
留言咨询




















