全国免费热线
0510-8321 7886
0510-8321 7886
电话:0510-83217886 0510-83217186 0510-68771119 0510-68771110 传真:0510-83206086 地 址:无锡市滨湖区梅园
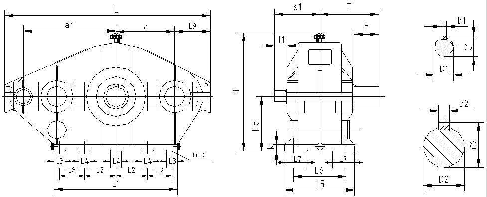
SHS型减速器外形尺寸,见图15、表17:

图15 SHS型减速器外形尺寸
表17 SHS型减速器外形尺寸
|
规
格
|
中心尺寸
|
轮 廓 尺 寸
|
地 脚 螺 栓
|
高 速 轴 伸
|
低 速 轴 伸
|
质量
(kg)
|
|
a1 a H0
|
H L L1 L5 L9
|
d n k L2 L3 L4 L6 L7 L8
|
D1 l1 c1 b1 s1
|
D2 t T c2 b2
|
||
|
215
|
320 215 200
|
433 765 550 340 130
|
M20 4 25 245 100 285 75
|
14j6 25 16 5 180
|
75m6 105 265 79.5 20
|
195
|
|
255
|
380 255 230
|
493 895 630 370 150
|
M20 6 25 285 100 100 315 75
|
18j6 28 20.5 6 200
|
90m6 130 305 95 25
|
285
|
|
300
|
445 300 280
|
585 1045 750 425 180
|
M24 6 30 345 120 120 360 85
|
22j6 36 25 8 240
|
110m6 165 375 116 28
|
500
|
|
350
|
525 350 325
|
678 1220 860 465 200
|
M24 6 35 390 120 160 400 90
|
30j6 58 33 8 280
|
130m6 200 425 137 32
|
670
|
|
400
|
615 400 355
|
740 1415 950 505 240
|
M24 8 40 150 120 120 440 90 290
|
35k6 58 38 10 315
|
150m6 200 460 158 36
|
990
|
|
450
|
705 450 400
|
825 1605 1100 580 270
|
M30 8 45 160 120 120 510 100 340
|
45k6 82 48.5 14 370
|
170m6 240 530 179 40
|
1380
|
|
500
|
755 500 500
|
1028 1765 1220 640 310
|
M36 8 55 160 150 150 560 130 410
|
45k6 82 48.5 14 385
|
180m6 240 545 190 45
|
2200
|
|
550
|
850 550 560
|
1110 1945 1320 710 325
|
M36 8 60 200 150 150 630 130 410
|
50k6 82 53.5 14 425
|
200m6 280 625 210 50
|
2900
|
|
600
|
900 600 630
|
1270 2070 1460 770 360
|
M42 8 60 220 180 180 675 140 465
|
50k6 82 53.5 14 440
|
220m6 280 645 231 50
|
3600
|
|
670
|
1020 670 670
|
1330 2305 1600 830 385
|
M42 8 70 250 180 180 735 140 500
|
55m6 82 59 16 475
|
250m6 330 730 262 56
|
4800
|
|
750
|
1100 750 750
|
1520 2510 1790 880 425
|
M48 8 80 280 210 210 775 150 560
|
55m6 82 59 16 505
|
280m6 380 805 292 63
|
6500
|
|
840
|
1240 840 840
|
1666 2835 1980 990 480
|
M48 10 80 450 250 250 880 150 485
|
65m6 105 69 18 575
|
300m6 380 855 314 70
|
9200
|
|
950
|
1350 950 950
|
1870 3100 2240 1050 520
|
M56 10 90 500 250 250 930 200 555
|
65m6 105 69 18 600
|
340m6 450 950 355 80
|
13300
|
|
1070
|
1520 1070 1060
|
2100 3450 2480 1140 545
|
M56 10 90 500 250 250 1020 200 675
|
75m6 105 79.5 20 645
|
380m6 450 1060 395 80
|
19000
|
留言咨询




















