全国免费热线
0510-8321 7886
0510-8321 7886
电话:0510-83217886 0510-83217186 0510-68771119 0510-68771110 传真:0510-83206086 地 址:无锡市滨湖区梅园
TZ型三级立式齿轮减速机特点
本系列减速器适用于各行业,用于立式传动设备。该型号为三级立式圆锥、圆柱齿轮减速器,圆锥齿轮采用弧齿,圆柱齿轮斜齿,具有传动平稳,噪音小等特点。
旋转方向从电机向输入轴看为逆时针(面对输出轴看为顺时针)
型号及含义

标记示例:一机械选用功率为13KW,速比为59.4的TZ型减速器标记为:TZ13-59.4。
TZ系列减速器的基本参数
|
参数
|
型号
|
|||||||||||
|
TZ13
|
TZ22
|
TZ40
|
TZ55
|
TZ75
|
||||||||
|
功率(KW)
|
13/6P
|
22/8P
|
40/6P
|
55/6P
|
75/6P
|
|||||||
|
速比
|
59.4
|
62.9
|
38.5
|
45.9
|
59.4
|
42
|
48.5
|
54.26
|
48.5
|
54.26
|
48.5
|
58.9
|
|
重量(K g)
|
590
|
780
|
1280
|
1300
|
1650
|
|||||||
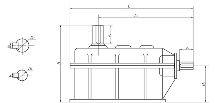
TZ型三级立式齿轮减速器外形安装尺寸
1、外型尺寸

TZ系列减速器外型安装尺寸
|
型号
|
参数
|
|||||||||
|
L
|
H
|
H0
|
L1
|
D1
|
D2
|
b1
|
B2
|
e1
|
e2
|
|
|
TZ13
|
1129
|
671
|
290
|
854
|
42
|
85
|
14
|
25
|
90
|
170
|
|
TZ40
TZ55
|
1271
|
75
|
330
|
981
|
45
|
95
|
14
|
25
|
90
|
190
|
|
TZ55
|
1645
|
805
|
345
|
1255
|
60
|
120
|
18
|
32
|
130
|
200
|
|
TZ75
|
1645
|
892
|
345
|
1255
|
60
|
160
|
18
|
40
|
130
|
250
|
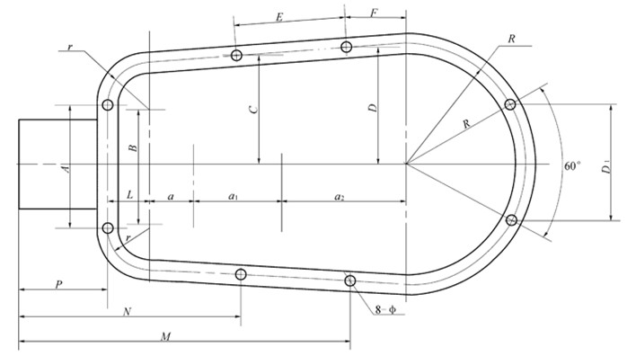
2、地脚尺寸

|
型号
|
参数
|
|||||||||||||
|
a
|
a1
|
a2
|
A
|
B
|
C
|
D
|
E
|
F
|
M
|
N
|
R
|
R
|
6-φ
|
|
|
TZ13
|
95
|
187
|
245
|
176.76
|
233.62
|
163
|
360.62
|
190
|
55
|
542
|
150
|
255
|
110
|
6-φ18
|
|
TZ22
|
85
|
220
|
276
|
206.92
|
255.693
|
206
|
381.34
|
186
|
60
|
650
|
195
|
270
|
120
|
6-φ18
|

|
型号
|
参数
|
|||||||||||||||
|
a
|
a1
|
a2
|
A
|
B
|
C
|
D
|
R=D1
|
E
|
F
|
r
|
L
|
P
|
M
|
N
|
8-φ
|
|
|
TZ40
TZ55
|
70
|
285
|
390
|
268
|
256
|
304.9
|
348.267
|
360
|
390
|
125
|
150
|
149.88
|
170
|
940
|
552.4
|
8-φ27
|
|
TZ75
|
70
|
285
|
390
|
268
|
256
|
304.9
|
348.267
|
360
|
390
|
125
|
150
|
149.88
|
170
|
940
|
552.4
|
8-φ27
|
TZ型三级立式齿轮减速机安装使用与维护
1.减速器应安装平稳牢固,安装后应能灵活转动。
2.安装好后,必须注入所需润滑油,一般为L-CKC100~L-CKC220中极压工业齿轮油(原N100、N150、N220),油面应至油位螺塞处。
3.新减速首次使用20天后,必须更换新的润滑油,在以后的使用中应定期检查油的质量,发现老化变质,必须随时更换,同时经常检查油面高度,如低于规定高度时,需及时补足。在一般情况下对长期连续使用的减速器应六个月换油一次。
4.工作过程中发现油温显著升高且超过85℃或产生不正常噪音和振动应停止使用,检查原因,排除故障再使用。
5.使用单位应有合理的使用维护规章制度,对减速器的运转情况及检修中发现的问题应作详细记录,以便检查。
留言咨询




















