全国免费热线
0510-8321 7886
0510-8321 7886
电话:0510-83217886 0510-83217186 0510-68771119 0510-68771110 传真:0510-83206086 地 址:无锡市滨湖区梅园
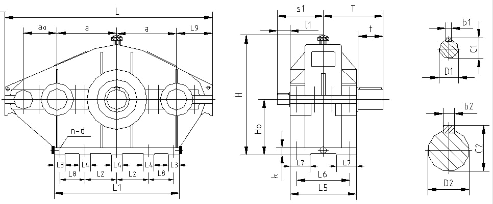
SHCⅠ型减速器外形尺寸,见图11、表13:

图11 SHCⅠ型减速器外形尺寸
表13 SHCⅠ型减速器外形尺寸
|
规
格
|
中心尺寸
|
轮 廓 尺 寸
|
地 脚 螺 栓
|
输入轴伸i<51
|
输入轴伸51≤i<100
|
输入轴伸i≥100
|
输出轴伸
|
质量(kg)
|
|
a0 a H0
|
H L L1 L5 L9
|
d n k L2 L3 L4 L6 L7 L8
|
D1 l1 c1 b1 s1
|
D1 l1 c1 b1 s1
|
D1 l1 c1 b1 s1
|
D2 t T c2 b2
|
||
|
125
|
190 125 115
|
258 455 320 200 80
|
M12 4 16 145 60 170 50
|
18j6 28 20.5 6 113
|
14j6 25 16 5 110
|
12j6 25 13.5 4 110
|
38k6 58 150 41 10
|
52
|
|
145
|
225 145 130
|
291 530 390 230 92.5
|
M16 4 18 170 70 185 60
|
22j6 36 24.5 6 133
|
18j6 28 20.5 6 125
|
14j6 25 16 5 120
|
48k6 82 185 51.514
|
88
|
|
175
|
275 175 165
|
367 650 470 255 117.5
|
M16 4 20 205 90 210 60
|
28j6 42 31 8 156
|
22j6 36 24.5 6 150
|
18j6 28 20.5 6 145
|
60m6 105 223 64 18
|
132
|
|
215
|
345 215 200
|
433 790 550 290 130
|
M20 4 25 245 100 240 70
|
35k6 58 38 10 186
|
28j6 42 31 8 170
|
22j6 36 25 6 165
|
75m6 105 23579.520
|
200
|
|
255
|
400 255 230
|
493 910 630 320 150
|
M20 6 25 285 100 100 270 70
|
42k6 82 45 12 228
|
35k6 58 38 10 200
|
28j6 42 31 8 185
|
90m6 130 275 95 25
|
300
|
|
300
|
460 300 280
|
585 1050 750 350 180
|
M24 6 30 345 120 120 285 80
|
48k6 82 51.5 14 252
|
42k6 82 45 12 252
|
35k6 58 38 10 228
|
110m6 165 340 116 28
|
528
|
|
350
|
530 350 325
|
678 1220 860 410 200
|
M24 6 35 390 120 160 350 90
|
55k6 82 59 16 275
|
48k6 82 51.5 14 275
|
42k6 82 45 12 275
|
130m6 200 395 139 32
|
708
|
|
400
|
610 400 355
|
740 1410 950 445 240
|
M24 8 40 150 120 120 385 100 290
|
65m6 105 69 18 361
|
55k6 82 59 16 338
|
48k6 82 51.5 14 338
|
150m6 200 438 158 36
|
1020
|
|
450
|
680 450 400
|
825 1550 1100 510 270
|
M30 8 45 160 120 120 430 100 340
|
70m6 105 74.5 20 355
|
65m6 105 69 18 355
|
55m6 82 59 16 332
|
170m6 240 500 179 40
|
1400
|
|
500
|
760 500 500
|
1028 1750 1220 570 305
|
M36 8 55 160 150 150 490 120 410
|
75m6 105 79.5 20 375
|
70m6 105 74.5 20 375
|
60m6 105 64 18 375
|
180m6 240 510 190 45
|
1920
|
|
550
|
840 550 560
|
1110 1910 1320 600 325
|
M36 8 60 200 150 150 530 120 410
|
80m6 130 85 22 415
|
75m6 105 79.5 20 390
|
65m6 105 69 18 390
|
200m6 280 580 210 50
|
2560
|
|
600
|
930 600 630
|
1270 2110 1460 680 360
|
M42 8 60 220 180 180 580 150 465
|
90m6 130 95 25 455
|
80m6 130 85 22 455
|
70m6 105 74.520 430
|
220m6 280 600 231 50
|
3320
|
|
670
|
1030 670 670
|
1330 2310 1600 720 385
|
M42 8 70 250 180 180 640 140 500
|
100m6 165 106 28 510
|
90m6 130 95 25 475
|
80m6 130 85 22 475
|
250m6 330 690 262 56
|
4650
|
|
750
|
1140 750 750
|
1520 2570 1790 790 425
|
M48 8 80 280 210 210 690 150 560
|
110m6 165 116 28 550
|
100m6 165 106 28 550
|
90m6 130 95 25 515
|
280m6 380 765 292 63
|
6550
|
|
840
|
1260 840 840
|
1666 2850 1980 874 480
|
M48 10 80 450 250 250 764 150 485
|
130m6 200 137 32 605
|
110m6 165 116 28 570
|
100m6 165 106 28 570
|
300m6 380 790 314 70
|
9250
|
|
950
|
1410 950 950
|
1870 3180 2240 1000 520
|
M56 10 90 500 250 250 870 200 555
|
150m6 200 157 36 665
|
130m6 200 137 32 665
|
110m6 165 116 28 630
|
340m6 450 920 355 80
|
13490
|
|
1070
|
1590 1070 1060
|
2100 3530 2480 1030 545
|
M56 10 90 500 250 250 895 200 675
|
170m6 240 179 40 760
|
150m6 200 157 36 720
|
130m6 200 137 32 720
|
380m6 450 940 395 80
|
19500
|
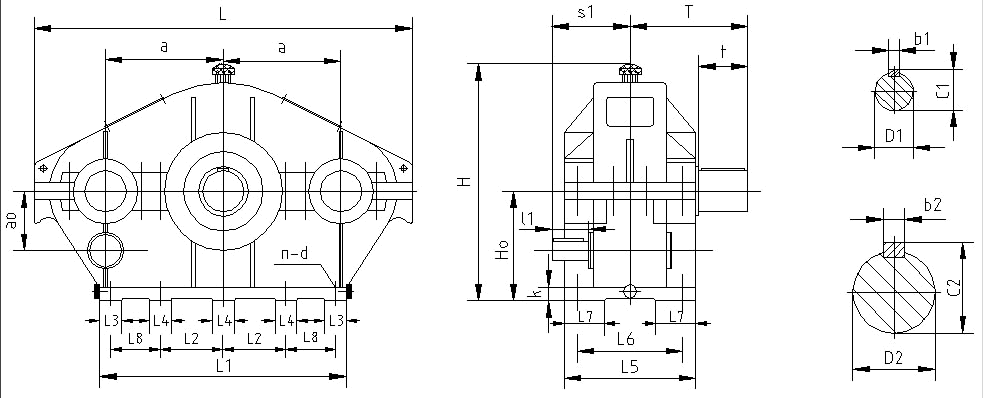
SHCⅡ型减速器外形尺寸,见图12、表14:

图12 SHCⅡ型减速器外形尺寸
表14 SHCⅡ型减速器外形尺寸
|
规
格
|
中心尺寸
|
轮 廓 尺 寸
|
地 脚 螺 栓
|
输入轴伸i<51
|
输入轴伸51≤i<100
|
输入轴伸i≥100
|
输出轴伸
|
质量(kg)
|
|
|
a0 a H
|
H L L1 L5
|
d n k L2 L3 L4 L6 L7 L8
|
D1 l1 c1 b1 s1
|
D1 l1 c1 b1 s1
|
D1 l1 c1 b1 s1
|
D2 t T c2 b0
|
|||
|
125
|
65 125 115
|
258 410 320 200
|
M12 4 16 145 60 170 50
|
|
18j6 28 20.5 6 113
|
14j6 25 16 5 110
|
12j6 25 13.5 4 110
|
38k6 58 150 41 10
|
49
|
|
145
|
80 145 130
|
291 475 390 230
|
M16 4 18 170 70 185 60
|
|
22j6 36 24.5 6 133
|
18j6 28 20.5 6 125
|
14j6 25 16 5 120
|
48k6 82 185 51.514
|
82
|
|
175
|
100 175 165
|
367 585 470 255
|
M16 4 20 205 90 210 60
|
|
28j6 42 31 8 156
|
22j6 36 24.5 6 150
|
18j6 28 20.5 6 145
|
60m6 105 223 64 18
|
122
|
|
215
|
130 215 200
|
433 690 550 290
|
M20 4 25 245 100 240 70
|
|
35k6 58 38 10 186
|
28j6 42 31 8 170
|
22j6 36 25 6 165
|
75m6 105 23579.520
|
195
|
|
255
|
145 255 230
|
493 810 630 320
|
M20 6 25 285 100 100 270 70
|
|
42k6 82 45 12 228
|
35k6 58 38 10 200
|
28j6 42 31 8 185
|
90m6 130 275 95 25
|
280
|
|
300
|
160 300 280
|
585 960 750 350
|
M24 6 30 345 120 120 285 80
|
|
48k6 82 51.5 14 252
|
42k6 82 45 12 252
|
35k6 58 38 10 228
|
110m6 165 340 116 28
|
495
|
|
350
|
180 350 325
|
678 1100 860 410
|
M24 6 35 390 120 160 350 90
|
|
55k6 82 59 16 275
|
48k6 82 51.5 14 275
|
42k6 82 45 12 275
|
130m6 200 395 139 32
|
674
|
|
400
|
210 400 355
|
740 1280 950 445
|
M24 8 40 150 120 120 385 100 290
|
65m6 105 69 18 361
|
55k6 82 59 16 338
|
48k6 82 51.5 14 338
|
150m6 200 438 158 36
|
970
|
|
|
450
|
230 450 400
|
825 1440 1100 510
|
M30 8 45 160 120 120 430 100 340
|
70m6 105 74.5 20 355
|
65m6 105 69 18 355
|
55m6 82 59 16 332
|
170m6 240 500 179 40
|
1330
|
|
|
500
|
260 500 500
|
1028 1610 1220 570
|
M36 8 55 160 150 150 490 120 410
|
75m6 105 79.5 20 375
|
70m6 105 74.5 20 375
|
60m6 105 64 18 375
|
180m6 240 510 190 45
|
1830
|
|
|
550
|
290 550 560
|
1110 1750 1320 600
|
M36 8 60 200 150 150 530 120 410
|
80m6 130 85 22 415
|
75m6 105 79.5 20 390
|
65m6 105 69 18 390
|
200m6 280 580 210 50
|
2440
|
|
|
600
|
330 600 630
|
1270 1920 1460 680
|
M42 8 60 220 180 180 580 150 465
|
90m6 130 95 25 455
|
80m6 130 85 22 455
|
70m6 105 74.520 430
|
220m6 280 600 231 50
|
3160
|
|
|
670
|
360 670 670
|
1330 2110 1600 720
|
M42 8 70 250 180 180 640 140 500
|
100m6 165 106 28 510
|
90m6 130 95 25 475
|
80m6 130 85 22 475
|
250m6 330 690 262 56
|
4430
|
|
|
750
|
390 750 750
|
1520 2350 1790 790
|
M48 8 80 280 210 210 690 150 560
|
110m6 165 116 28 550
|
100m6 165 106 28 550
|
90m6 130 95 25 515
|
280m6 380 765 292 63
|
6230
|
|
|
840
|
420 840 840
|
1666 2640 1980 874
|
M48 10 80 450 250 250 764 150 485
|
130m6 200 137 32 605
|
110m6 165 116 28 570
|
100m6 165 106 28 570
|
300m6 380 790 314 70
|
8810
|
|
|
950
|
460 950 950
|
1870 2940 2240 1000
|
M56 10 90 500 250 250 870 200 555
|
150m6 200 157 36 665
|
130m6 200 137 32 665
|
110m6 165 116 28 630
|
340m6 450 920 355 80
|
12850
|
|
|
1070
|
520 1070 1060
|
2100 3230 2480 1030
|
M56 10 90 500 250 250 895 200 675
|
170m6 240 179 40 760
|
150m6 200 157 36 720
|
130m6 200 137 32 720
|
380m6 450 940 395 80
|
18570
|
|
留言咨询




















