全国免费热线
0510-8321 7886
0510-8321 7886
电话:0510-83217886 0510-83217186 0510-68771119 0510-68771110 传真:0510-83206086 地 址:无锡市滨湖区梅园
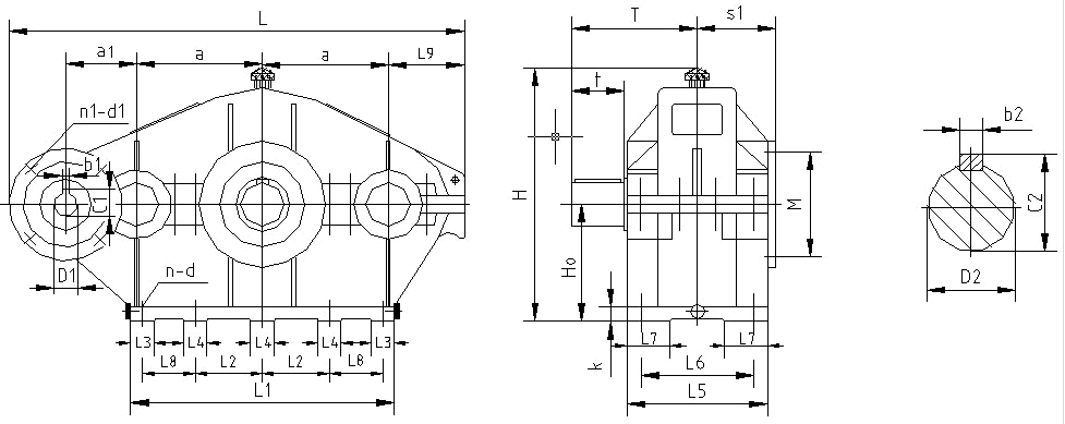
SHCD型减速器外形尺寸,见图13、表15:

图13 SHCD型减速器外形尺寸
表15 SHCD型减速器外形尺寸
|
规格
|
中心尺寸
|
轮 廓 尺 寸
|
地 脚 螺 栓
|
输 入 尺 寸
|
输 出 轴 伸
|
所配电机
(机座号)
|
质量
(kg)
|
|
a1 a H0
|
H L L1 L5 L9
|
d n k L2 L3 L4 L6 L7 L8
|
D1 b1 c1 s1 M n1 d1
|
D2 t T c2 b2
|
|||
|
125
|
190 125 115
|
258 455 320 200 80
|
M12 4 16 145 60 170 50
|
19 6 21.8 85 165 4 M10
|
38k6 58 150 41 10
|
80
|
60
|
|
145
|
225 145 130
|
291 530 390 230 92.5
|
M16 4 18 170 70 185 60
|
19 6 21.8 92 165 4 M10
24 8 27.3
|
48k6 82 185 51.5 14
|
80
90
|
88
|
|
175
|
275 175 165
|
367 650 470 255 117.5
|
M16 4 20 205 90 210 60
|
19 6 21.8 165 M10
24 8 27.3 110 165 4 M10
28 8 31.3 215 M12
|
60m6 105 223 64 18
|
80
90
100
|
132
|
|
215
|
345 215 200
|
433 790 550 290 130
|
M20 4 25 245 100 240 70
|
24 8 27.3 165 M10
28 8 31.3 125 215 4 M12
28 8 31.3 215 M12
|
75m6 105 235 79.5 20
|
90
100
112
|
200
|
|
255
|
400 255 230
|
493 910 630 320 150
|
M20 6 25 285 100 100 270 70
|
28 8 31.3 215
28 8 31.3 137 215 4 M12
38 10 41.3 265
|
90m6 130 275 95 25
|
100
112
132
|
300
|
|
300
|
460 300 280
|
585 1050 750 350 180
|
M24 6 30 345 120 120 285 80
|
28 8 31.3 215 4 M12
38 10 41.3 157 265 4 M12
42 12 45.3 300 4 M16
|
110m6 165 340 116 28
|
112
132
160
|
528
|
|
350
|
530 350 325
|
678 1220 860 410 200
|
M24 6 35 390 120 160 350 90
|
38 10 41.3 265 4 M12
42 12 45.3 187 300 4 M16
48 14 51.8 300 4 M16
|
130m6 200 395 139 32
|
132
160
180
|
708
|
|
400
|
610 400 355
|
740 1410 950 445 240
|
M24 8 40 150 120 120 385 100 290
|
42 12 45.3 300
48 14 51.8 217 300 4 M16
55 16 59.4 350
|
150m6 200 438 158 36
|
160
180
200
|
1020
|
|
450
|
680 450 400
|
825 1550 1100 510 270
|
M30 8 45 160 120 120 430 100 340
|
48 14 51.8 300 4
55 16 59.4 245 350 4 M16
60 18 64.4 400 8 M16
|
170m6 240 500 179 40
|
180
200
225
|
1400
|
留言咨询




















