全国免费热线
0510-8321 7886
0510-8321 7886
电话:0510-83217886 0510-83217186 0510-68771119 0510-68771110 传真:0510-83206086 地 址:无锡市滨湖区梅园
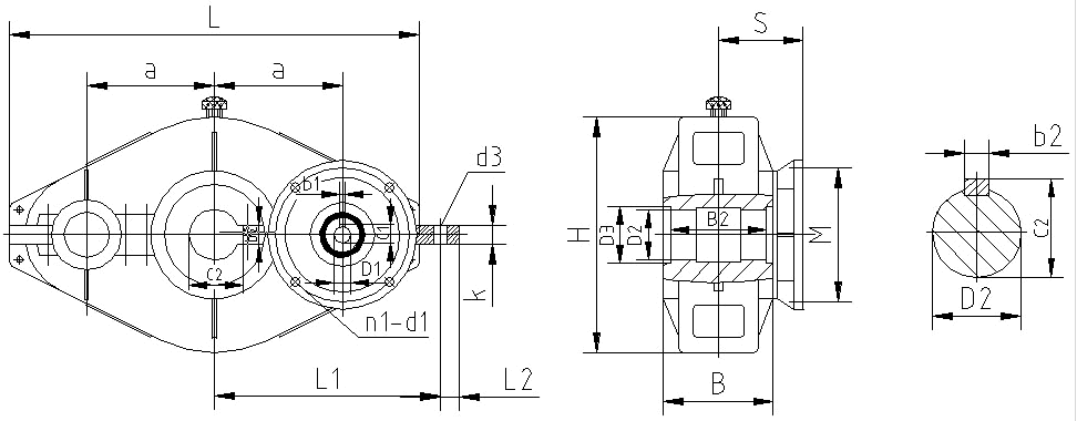
SHDK型减速器外形尺寸,见图10、表12:

图10 SHDK型减速器外形尺寸
表12 SHDK型减速器外形尺寸
|
规格
|
中心尺寸
|
轮廓尺寸
|
安装尺寸
|
输 入 尺 寸
|
输 出 尺 寸
|
参 考
电 机 (机座号)
|
质量(不含电机)kg
|
|
a H
|
B L L2
|
d3 L1 k
|
D1 b1 c1 M S n1 d1
|
D2 D3 B2 c2 b2
|
|||
|
125
|
125 224
|
126 410 20
|
18 230 20
|
19H7 6 21.8 165 103.5 4 12
24H7 8 27.3 165 113.5 4 12
|
45H7 53 94 48.8 14Js9
|
80
90
|
56
|
|
145
|
145 254
|
134 475 25
|
24 275 25
|
24H7 8 27.3 165 121 4 12
28H7 8 31.3 215 131 4 15
28H7 8 31.3 215 131 4 15
|
55H7 63 106 59.3 16Js9
|
90
100
112
|
67
|
|
175
|
175 320
|
154 585 30
|
30 320 32
|
28H7 8 31.3 215 146 4 15
28H7 8 31.3 215 146 4 15
38H7 10 41.3 265 166 4 15
|
70H7 78 140 74.9 20Js9
|
100
112
132
|
110
|
|
215
|
215 390
|
174 690 40
|
36 380 40
|
28H7 8 31.3 215 146 4 15
38H7 10 41.3 265 181 4 15
42H7 12 45.3 300 211 4 19
|
85H7 95 154 90.4 22Js9
|
112
132
160
|
200
|
|
255
|
255 444
|
200 810 45
|
42 445 45
|
38H7 10 41.3 265 190 4 15
42H7 12 45.3 300 220 4 19
48H7 14 51.8 300 220 4 19
|
100H7 110 176 106.4 28Js9
|
132
160
180
|
276
|
|
300
|
300 530
|
240 960 50
|
48 530 50
|
42H7 12 45.3 300 220 4 15
48H7 14 51.8 300 220 4 19
55H7 16 59.3 350 233 4 19
|
120H7 130 210 127.4 32Js9
|
160
180
200
|
482
|
留言咨询




















