全国免费热线
0510-8321 7886
0510-8321 7886
电话:0510-83217886 0510-83217186 0510-68771119 0510-68771110 传真:0510-83206086 地 址:无锡市滨湖区梅园
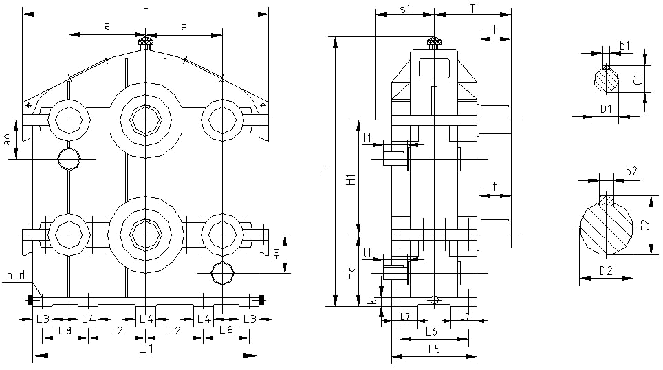
LLSH型减速器外形尺寸,见图16、表18:

图16 LLSH型减速器外形尺寸
表18 LLSH型减速器外形尺寸
|
规
格
|
中 心 尺 寸
|
轮 廓 尺 寸
|
地 脚 螺 栓
|
高 速 轴 伸
|
低 速 轴 伸
|
质 量
(kg)
|
|
a a0 H0 H1
|
H L L1 L5
|
d n k L2 L3 L4 L6 L7 L8
|
D1 l1 c1 b1 s1
|
D2 t T c2 b2
|
||
|
300
|
300 160 280 510
|
1095 960 900 350
|
M24 8 30 140 155 120 285 80 260
|
35k6 58 38 10 228
|
110m6 165 340 116 28
|
930
|
|
350
|
350 180 325 605
|
1283 1100 1020 410
|
M24 8 35 165 165 120 350 90 290
|
42k6 82 45 12 275
|
130m6 200 395 137 32
|
1270
|
|
400
|
400 210 355 660
|
1400 1280 1170 445
|
M24 8 40 190 190 120 385 100 340
|
48k6 82 51.5 14 338
|
150m6 200 438 158 36
|
1830
|
|
450
|
450 230 400 750
|
1575 1440 1320 510
|
M30 8 45 215 215 120 430 100 380
|
55m6 82 59 16 332
|
170m6 240 500 179 40
|
2500
|
|
500
|
500 260 500 945
|
1973 1610 1520 570
|
M36 8 55 240 265 150 490 120 450
|
60m6 105 64 18 375
|
180m6 240 510 190 45
|
3450
|
留言咨询




















